Змінюй хід війни! Допомагай ЗСУ!

Ремонт лодочного мотора Салют

  • Автор теми Автор теми yuren
  • Дата створення Дата створення
Уважаемый Евгений,почитайте внимательно форум (от начала и до конца),тут неоднократно все то,о чем вы спрашиваете было обсосано и подробнейшим образом разжевано.На все ваши вопросы есть подробные ответы на страницах форума,причем не в единственном экземпляре.От себя добавлю,что деталь на фото 3,4 вы вообще зря открутили,ее трогать при разборке нежелательно ,тк в этом сопряжении(половинка картера+крышка) ломаться,изнашиваться и выходить из строя-нечему.с завода она ставится на прокладку+дополнительно заливается чем то типа эпоксидной смолы(для надежности).При сборке не забудьте крепежные винты этой крышки(которые с головкой впотай) посадить на фиксатор резьбы .Внимательно изучите форум и найдете ответы на 99% ваших вопросов
 
Всем привет. Я не электрик и ничего вообще (причём полностью) в этом не понимаю. Прошу о помощи. Подскажите пожалуйста вот это магнето надо переделывать или нет (фото1, 2)? В нем есть диодный мост или нет? Все что то переделывают, какие то кандёры,резисторы. Кто то может как то доходчиво объяснить что куда и как? Имеется еще катушка от скутера. Магнето МБ 01-03 только купил, оно 2013г. (фото 1, 2)
Но есть и старое магнето наверное родное, не знаю.(фото 3)
 

Вкладення

  • imgonline-com-ua-compress68iYhnAVgZgH.webp
    imgonline-com-ua-compress68iYhnAVgZgH.webp
    54.8 КБ · Перегляди: 308
  • imgonline-com-ua-compressKHJqnfiF2c3E.webp
    imgonline-com-ua-compressKHJqnfiF2c3E.webp
    194 КБ · Перегляди: 284
  • imgonline-com-ua-compressrDDFWSPBAQdI.webp
    imgonline-com-ua-compressrDDFWSPBAQdI.webp
    64.9 КБ · Перегляди: 280
Евгений! Вы в электронике не понимаете?
Тогда луще практиковать такое купиль новое и не мучай себя,либо иди на курси радиоэлектроншики.
 
Евгений! Вы в электронике не понимаете?
Тогда луще практиковать такое купиль новое и не мучай себя,либо иди на курси радиоэлектроншики.

Какое ответ такой и человек по жизни. Выше ясно сказано, что магнето только куплено.
 
Евгений, пока мотор не собран, заморачиваться с магнето особо смысла нет (проверить на искру будет тяжело, у вас же стенда нет, я так понимаю). Опять же на страницах форума обсуждали неоднократно разные магнето, их взаимозаменяемость и совместимость, не поленитесь, изучите все не торопясь.Дал бы ссылку на страницу, но не помню какая (сам форум прочел от и до,особо нового ничего не узнал (все таки 20 лет занимаюсь мелкими ДВС), но пару важных ньюансов по помпе и водяному охлаждению для себя отметил). На вашем месте , я бы в первую очередь тщательно и не торопясь собрал бы мотор, а уже потом комбинировал бы с зажиганиями.Установили любое из них-попробуйте искру "на пробой", если искра есть пробуйте запустить, нет искры -меняйте статор.Если искра есть, бензин поступает(свеча мокрая), а мотор не подает признаков жизни - пробуйте менять угол опережения проворачивая статор.С электронным зажиганием тяжело, т к меток обычно нет, а момент искрообразования зависит от модели маховика(не всякий подходит, тут это уже обсуждалось).

Но все вышенаписанное справедливо только тогда - когда вы на 100% уверены в КАЧЕСТВЕ своей сборки, иначе станете участником увлекательного квеста по поискам черной кошки , которой нет в комнате.
Сам являюсь владельцем 2х Салютов (один электронный, другой контактный), оба перебраны мною (для выявления дефектов, замены сальников и общего ТО) и в принципе ничего плохого о конструкции мотора особо не скажу. Отличный мотор для тех денег за которые их покупал, правда эксплуатация их требует некоторых навыков общения с мототехникой, человеку далекому от этого мотор может показаться чересчур ГЕММОРНЫМ, у знакомого Сузуки 2,5 4т он 8 лет его пользует-только бенз заливает, да раз в сезон масло меняет и больше НИЧЕГО. С Салютом этот фокус увы не проходит, но учитывая разницу в цене ...!!.Жду весны для получения своей порции удовольствия от рыбалки и отдыха на воде )))
 
Евгений, пока мотор не собран, заморачиваться с магнето особо смысла нет (проверить на искру будет тяжело, у вас же стенда нет, я так понимаю). Опять же на страницах форума обсуждали неоднократно разные магнето, их взаимозаменяемость и совместимость, не поленитесь, изучите все не торопясь.Дал бы ссылку на страницу, но не помню какая (сам форум прочел от и до,особо нового ничего не узнал (все таки 20 лет занимаюсь мелкими ДВС), но пару важных ньюансов по помпе и водяному охлаждению для себя отметил). На вашем месте , я бы в первую очередь тщательно и не торопясь собрал бы мотор, а уже потом комбинировал бы с зажиганиями.Установили любое из них-попробуйте искру "на пробой", если искра есть пробуйте запустить, нет искры -меняйте статор.Если искра есть, бензин поступает(свеча мокрая), а мотор не подает признаков жизни - пробуйте менять угол опережения проворачивая статор.С электронным зажиганием тяжело, т к меток обычно нет, а момент искрообразования зависит от модели маховика(не всякий подходит, тут это уже обсуждалось).

Но все вышенаписанное справедливо только тогда - когда вы на 100% уверены в КАЧЕСТВЕ своей сборки, иначе станете участником увлекательного квеста по поискам черной кошки , которой нет в комнате.
Сам являюсь владельцем 2х Салютов (один электронный, другой контактный), оба перебраны мною (для выявления дефектов, замены сальников и общего ТО) и в принципе ничего плохого о конструкции мотора особо не скажу. Отличный мотор для тех денег за которые их покупал, правда эксплуатация их требует некоторых навыков общения с мототехникой, человеку далекому от этого мотор может показаться чересчур ГЕММОРНЫМ, у знакомого Сузуки 2,5 4т он 8 лет его пользует-только бенз заливает, да раз в сезон масло меняет и больше НИЧЕГО. С Салютом этот фокус увы не проходит, но учитывая разницу в цене ...!!.Жду весны для получения своей порции удовольствия от рыбалки и отдыха на воде )))

madmechanic спасибо большое за советы, я просто хотел узнать есть ли диодный мост в купленном магнето на (фото1, 2) указанном выше? По поводу помпы (водяного охлаждения), да это одна из 100 болезней салюта. Много времени каждый день нет, но один час в день посвящаю кап.ремонту Салюта 2ЭС. Помпа переделана досконально, до её испытаний как минимум месяц. Потом отпишусь за результат (кому интересно) готовность её закончена на 90%. Жду запчасти (подшипники, сальники) все под замену. Корпус весь от А и до Я уже покрашен. Времени в один месяц с головой, по этому думал какими то усилиями потихоньку купить детали для пайки и как то пытаться переделать старое магнето их все равно два. Да и маховик как то мне не нравится (магниты). Каким образом их можно проверить, да и вообще какими они должны быть? На каком то форуме прочитал, (про ветерковый маховик) там описано что после намагничивания, магнит стал держать молоток весом в 0,500кг., это как раз нормально. Но это про ветерок, а как проверить Салютовский маховик не знаю?
Вот мой маховик он вроде бы подходит под электронное зажигание если нет то прошу меня поправить.
 

Вкладення

  • imgonline-com-ua-compressxO6QFjghr01R.webp
    imgonline-com-ua-compressxO6QFjghr01R.webp
    191.6 КБ · Перегляди: 281
  • imgonline-com-ua-compressjkXY3AXAyK6k.webp
    imgonline-com-ua-compressjkXY3AXAyK6k.webp
    175.8 КБ · Перегляди: 288
да это для электронки маховик,с одним из ваших статоров должен точно подружиться.
По поводу помпы (водяного охлаждения), да это одна из 100 болезней салюта. Много времени каждый день нет, но один час в день посвящаю кап.ремонту Салюта 2ЭС. Помпа переделана досконально, до её испытаний как минимум месяц.
А смысл ее переделывать? если крыльчатка не стерта вусмерть помпа будет работать ,и ее мощности с головой хватит для движка,нужно только верхнюю крышку помпы садить на гермет или эпоксидку (для герметичности) и по возможности новую резиновую прокладку между "ногой" и редуктором,я так понял при "штатной" сборке она тоже играет немаловажную роль в работе помпы ,и в принципе все.Единственный интересный момент заметил по своим движкам : после того как двигатель поработал ,нагрелся, если заглушить и через 30сек-минуту запустить по новой(когда вода уже сошла из рубашки охлаждения) ,для того что бы из контрольки пошла вода, приходится поддать газу на 5-10 сек (очевидно при контакте с горячим телом гильзы вода превращается в пар,образуется паровая пробка(из отверстия идет только пар),которая не дает прогнать на Холостом Ходу воду по контуру,а чуток газнешь -и все ,пошла вода и даже на ХХ стабильная струя
 
Останнє редагування:
Мадмеханик,охлаждене салюта это тема не раз обсуждалас,я лично понял только одно ,помпа у салюта работаеть отмено но при условие что как вы сказали польная изоляция в области редуктора гази от помпи это правилно и второе если можно от помпи надо вынести за предели дйдвуда трубку подачи води в наружу и ,по наруже завести прямо в водяную рубашку картера а в газовой рубашке заглушить отверсте подачи води почему? Дело в том чтов дейдвуде ограниченое пространство и гази соприкасаяс с трубкой подачи води очень греют и стоит дать ему нагрузку и сразу перестаеть церкуляция я лично зделао как пишу и все стало нормально жалко не могу помешать фотки .
 
Мадмеханик,охлаждене салюта это тема не раз обсуждалас,я лично понял только одно ,помпа у салюта работаеть отмено но при условие что как вы сказали польная изоляция в области редуктора гази от помпи это правилно и второе если можно от помпи надо вынести за предели дйдвуда трубку подачи води в наружу и ,по наруже завести прямо в водяную рубашку картера а в газовой рубашке заглушить отверсте подачи води почему? Дело в том чтов дейдвуде ограниченое пространство и гази соприкасаяс с трубкой подачи води очень греют и стоит дать ему нагрузку и сразу перестаеть церкуляция я лично зделао как пишу и все стало нормально жалко не могу помешать фотки .

У меня оба мотора, по помпе ,в полном стоке, и никаких отрицательных моментов в работе помпы я не заметил, оба прекрасно охлаждаются, причем , чем выше обороты мотора-тем ниже температура воды из контрольного отверстия, вплоть до того что вода идет вообще холодная. Оговорюсь сразу - крыльчатка должна быть не изношенной, сальник помпы - живым, и сама помпа правильно собрана.
По поводу выноса подающей трубки за пределы дейдвуда - на мой взгляд вообще "дурная" работа, учитывая сколько
всего придется переделывать и состыковывать.Проще подобрать тонкостенную на 1,5-2 мм больше в диаметре, и надеть сверху с небольшим воздушным зазором между ними.Хотя смысла в этом особого нет, все и так отлично работает
 
У меня оба мотора, по помпе ,в полном стоке, и никаких отрицательных моментов в работе помпы я не заметил, оба прекрасно охлаждаются, причем , чем выше обороты мотора-тем ниже температура воды из контрольного отверстия, вплоть до того что вода идет вообще холодная. Оговорюсь сразу - крыльчатка должна быть не изношенной, сальник помпы - живым, и сама помпа правильно собрана.
По поводу выноса подающей трубки за пределы дейдвуда - на мой взгляд вообще "дурная" работа, учитывая сколько
всего придется переделывать и состыковывать.Проще подобрать тонкостенную на 1,5-2 мм больше в диаметре, и надеть сверху с небольшим воздушным зазором между ними.Хотя смысла в этом особого нет, все и так отлично работает

madmechanic по скольку у вас 20 лет стажа, дайте дельный совет. Немного под убита шестерёнка нижнего вала редуктор, не новой не б/у найти не могу. Может есть совет по этому поводу. Да, и что делать с размагниченным маховиком 1983г.? И правильно ли я понял что в нём три магнита должны капитально притягивать, а один не очень? И третье, возможна ли установка на Салют 2ЭС вот такой коммутатор от Honda Dio?
 

Вкладення

  • shema-kommutatora-honda-dio-18-27.webp
    shema-kommutatora-honda-dio-18-27.webp
    35.9 КБ · Перегляди: 273
Останнє редагування:
по электрике я вам, увы не консультант,сам слегка"плаваю" в этом деле.По поводу магнитов-я бы пока его не попробовал на моторе, ничего не предпринимал (у самого Салют 2э 85 гв) и в принципе с искрой все нормально,магнит на притяжение не пробовал,и в ближайшее время(лет 5-10) не собираюсь: (владею несколькими мопедами ява стадион С-11,С-21,Рига 1,3, 12) самый старый из них датирован 62 гв и никаких проблем с размагничиванием магнитов у них нет ни на каком моторе(а принцип действия у них очень похож) ,все магнитится, и искра бьет - слонов можно валить с ног.Попробуйте на собранном моторе искру и поймете сами,стоит ли париться по поводу магнитов, если искра будет.Достаточно что бы она пробивала воздушный зазор (пробовать без насвечника и свечи,предварительно закрепив бронепровод,дабы исключить увеличение зазора в процессе "шморгания") в 5-7 мм.На нормальном-рабочем движке этого достаточно для воспламенения топливной смеси в цилиндре.А вот по поводу шестерни - это может быть проблемой,желательно фото ее взглянуть, тогда хоть приблизительно смогу что то сказать.На крайний случай ее можно изготовить ,но вот во сколько это "удовольствие" выйдет -даже думать страшно,ценник начнется от 300-400 гр и выше.Хотя если будет время на поиски-можно будет найти или редуктор отдельно,или мотор в сборе под запчасти (тут как повезет).
В принципе если вопрос станет только в зажигании-нет ничего сложного установить туда генератор в сборе от японца (хонда ямаха сузуки -что попадется под руку) с частью проводки от него же и вопрос будет решен.Потребуется только человек имеющий доступ к станкам (токарный и фрезерный)
 
Останнє редагування:
по электрике я вам, увы не консультант,сам слегка"плаваю" в этом деле.По поводу магнитов-я бы пока его не попробовал на моторе, ничего не предпринимал (у самого Салют 2э 85 гв) и в принципе с искрой все нормально,магнит на притяжение не пробовал,и в ближайшее время(лет 5-10) не собираюсь: (владею несколькими мопедами ява стадион С-11,С-21,Рига 1,3, 12) самый старый из них датирован 62 гв и никаких проблем с размагничиванием магнитов у них нет ни на каком моторе(а принцип действия у них очень похож) ,все магнитится, и искра бьет - слонов можно валить с ног.Попробуйте на собранном моторе искру и поймете сами,стоит ли париться по поводу магнитов, если искра будет.Достаточно что бы она пробивала воздушный зазор (пробовать без насвечника и свечи,предварительно закрепив бронепровод,дабы исключить увеличение зазора в процессе "шморгания") в 5-7 мм.На нормальном-рабочем движке этого достаточно для воспламенения топливной смеси в цилиндре.А вот по поводу шестерни - это может быть проблемой,желательно фото ее взглянуть, тогда хоть приблизительно смогу что то сказать.На крайний случай ее можно изготовить ,но вот во сколько это "удовольствие" выйдет -даже думать страшно,ценник начнется от 300-400 гр и выше.Хотя если будет время на поиски-можно будет найти или редуктор отдельно,или мотор в сборе под запчасти (тут как повезет).
В принципе если вопрос станет только в зажигании-нет ничего сложного установить туда генератор в сборе от японца (хонда ямаха сузуки -что попадется под руку) с частью проводки от него же и вопрос будет решен.Потребуется только человек имеющий доступ к станкам (токарный и фрезерный)

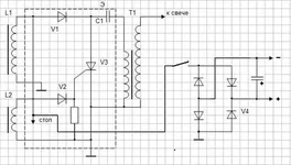
А зачем этому "Фейерверку" генератор? Что, без него коммутатор от Honda Dio не работает? Ув."Фейервершики" информацию черпаю от "100" форумов по "Салюту" голова уже как дом советов, один из подписчиков сбросил мне вот такую схему (фото ниже), но я её в остальных форумах не встречал, хотя всё везде одно и тоже. Кто то может что то за неё скажет?
 

Вкладення

  • 53766909_.webp
    53766909_.webp
    18.7 КБ · Перегляди: 219
Я не понимаю зачем попу гармон если он не может играть.Купите комутатор хонди ана собраная в коробочке и залитая наглухо с завода, в итернете есть распиновка комутаторов хонди и соединяйте прямо на магнето салюта а салютовский от неё надо все конци распаять и вивести провода от всех генераторов и катушки зажигане к хондовскому комутатору у меня моторчик на хо ндовском камутаторе. аф 18 и так дале.Подходит также комутатори риги и верховин они болье мощние.
 
Я не понимаю зачем попу гармон если он не может играть.Купите комутатор хонди ана собраная в коробочке и залитая наглухо с завода, в итернете есть распиновка комутаторов хонди и соединяйте прямо на магнето салюта а салютовский от неё надо все конци распаять и вивести провода от всех генераторов и катушки зажигане к хондовскому комутатору у меня моторчик на хо ндовском камутаторе. аф 18 и так дале.Подходит также комутатори риги и верховин они болье мощние.

Я видел ваши фото, у вас там целая система с датчиком хола. Можно с моим маховиком подключить только коммутатор и катушку зажигания от Dio?
 
А зачем этому "Фейерверку" генератор? Что, без него коммутатор от Honda Dio не работает? Ув."Фейервершики" информацию черпаю от "100" форумов по "Салюту" голова уже как дом советов, один из подписчиков сбросил мне вот такую схему (фото ниже), но я её в остальных форумах не встречал, хотя всё везде одно и тоже. Кто то может что то за неё скажет?

Затем, что отдельно "линию" зажигания вы не найдете, придется ставить генер в сборе, зато как в анекдоте "и ночью копать сможете", при свете генератора
 
Затем, что отдельно "линию" зажигания вы не найдете, придется ставить генер в сборе, зато как в анекдоте "и ночью копать сможете", при свете генератора

Вы меня все здесь запутали. (Затем, что отдельно "линию" зажигания вы не найдете) Отдельная линия зажигания нужна только для освещения? Или для подключения коммутатора Dio?????

А вот по поводу шестерни - это может быть проблемой,желательно фото ее взглянуть, тогда хоть приблизительно смогу что то сказать.На крайний случай ее можно изготовить ,но вот во сколько это "удовольствие" выйдет -даже думать страшно,ценник начнется от 300-400 гр и выше.Хотя если будет время на поиски-можно будет найти или редуктор отдельно,или мотор в сборе под запчасти (тут как повезет).
В принципе если вопрос станет только в зажигании-нет ничего сложного установить туда генератор в сборе от японца (хонда ямаха сузуки -что попадется под руку) с частью проводки от него же и вопрос будет решен.Потребуется только человек имеющий доступ к станкам (токарный и фрезерный)

madmechanic фото нижней шестерни редуктора. Обводил аккуратно проблемные места, дабы не портить картину.



По поводу отдельной лини зажигания, можно сделать вот так вместо ВВ катушки установить вторую катушку с другого магнето. А ВВ со скутера. Кто то это уже делал.
 

Вкладення

  • imgonline-com-ua-compresst4QiJRIqfcaP.webp
    imgonline-com-ua-compresst4QiJRIqfcaP.webp
    36 КБ · Перегляди: 231
  • imgonline-com-ua-compressyoT0zwwxhwG2.webp
    imgonline-com-ua-compressyoT0zwwxhwG2.webp
    43.7 КБ · Перегляди: 205
  • imgonline-com-ua-compressWPwiAXCxQyaS.webp
    imgonline-com-ua-compressWPwiAXCxQyaS.webp
    45.6 КБ · Перегляди: 234
  • imgonline-com-ua-compressPFNmBmPAEckz.webp
    imgonline-com-ua-compressPFNmBmPAEckz.webp
    55.6 КБ · Перегляди: 267
  • imgonline-com-ua-compressLtv2ugerjyxt.webp
    imgonline-com-ua-compressLtv2ugerjyxt.webp
    38.2 КБ · Перегляди: 270
  • 990650_102251.webp
    990650_102251.webp
    63 КБ · Перегляди: 301
  • 990652_102252.webp
    990652_102252.webp
    58.2 КБ · Перегляди: 255
  • katushka_zagigania2.webp
    katushka_zagigania2.webp
    9.5 КБ · Перегляди: 325
Останнє редагування:
по зажиганию : с японцев-китайцев статор генератора в себя включает обмотки возбуждения(на искру ,которые и подключаются к коммутатору,а через него на высоковольтную катушку зажигания(кроме генератора сузуки-там японцы выпендрились,хотя принцип остался тем же) и световые обмотки на одной "станине", грубо говоря,они несъемные поэтому будет и свет,если захотите плавать НОЧЬЮ :D:D.
Далее замена родной высоковольтной катушки на хондовскую-мысль здравая,если "родная" накрылась.Но тогда на фото не та катушка,высоковольтная -это черная в пластиковом корпусе(на предпоследнем фото виден ее край.С нее выходит бронепровод на свечу),а красная на фото-насколько я понимаю -"управляющая" ,типа для зарядки конденсатора ,или открытия-закрытия диода-резистора-транзистора-или как там эта хрень называется (тут плаваю,ну не радиоэлектронщик я),кстати ее можно прозвонить обычным мультиметром,для того что бы хоть в первом приближении понять : живая-неживая !
По шестерне- смотрел,повреждения конечно есть,но не смертельные.Сгладьте надфилем острые кромки сколов,подправьте профиль зуба(от "замятия" в какую либо сторону),и устанавливайте на место(разумеется с попыткой регулировки пятна контакта шестерен) .Узел этот менее нагружен в обычных (не экстремальных) условиях работы,чем аналогичный от болгарки,и при качественной трансмиссионке прослужит вам еще не один сезон.Конечно если не гонять под мотором по 2-3 и более часов КАЖДЫЙ ДЕНЬ.
Нижний пост по поводу ВВ катушки абсолютно правильный,но это получится только при условии что те радиодетали на статоре которые залиты эпоксидкой (или чем там их заливают на заводе) все исправные,не сгоревшие,и нужно выходы еще правильно подключить
 
Останнє редагування:
Внимане!Можно ничего салютовского не снимая и ничего хондовского не устанавливая ставте по желанию хочете хондовскую на салютовский зажигане, хочете советскую от риг-карпат будет работать только надо знат кого куда полкючать.Первое отпаеваем все провода,это от зарядной катушки, от сигнального датчика и от високоволтного(бабина) к ним припаеваете куски изолированого провода и выводите за предели маховика и согласно распиновки по подключене подключаете к комутатору хонди либо риги-карпати.

РАСПИНОВКА
⚠ Тільки зареєстровані користувачі бачать весь контент та не бачать рекламу.
.



РАСПИНОВКА КОМУТАТОРА ХОНДА
⚠ Тільки зареєстровані користувачі бачать весь контент та не бачать рекламу.
УДАЧИ.
 
Останнє редагування:
Далее замена родной высоковольтной катушки на хондовскую-мысль здравая,если "родная" накрылась.Но тогда на фото не та катушка,высоковольтная -это черная в пластиковом корпусе(на предпоследнем фото виден ее край.С нее выходит бронепровод на свечу),а красная на фото-насколько я понимаю -"управляющая" ,типа для зарядки конденсатора ,или открытия-закрытия диода-резистора-транзистора-или как там эта хрень называется (тут плаваю,ну не радиоэлектронщик я),кстати ее можно прозвонить обычным мультиметром,для того что бы хоть в первом приближении понять : живая-неживая !

По поводу катушек может вы меня не правильно поняли. С фотошопом, я не очень, просто постараюсь донести мысль. На самом корпусе остается только две управляющее катушки и один датчик. Из одной управляющей, допустим на освещение, а другая управляющая и датчик уже на работу двигателя (хоть коммутатор, хоть перепайка с диодным мостом) ЦЫТАТА: Но тогда на фото не та катушка,высоковольтная -это черная в пластиковом корпусе(на предпоследнем фото виден ее край.С нее выходит бронепровод на свечу) это виден край такой же управляющей катушки, а красная это уже дополнительная управляющая (фото выше) На втором фото внизу видно что управляющая тоже черным цветом.

Внимане!Можно ничего салютовского не снимая и ничего хондовского не устанавливая ставте по желанию хочете хондовскую на салютовский зажигане, хочете советскую от риг-карпат будет работать только надо знат кого куда полкючать.Первое отпаеваем все провода,это от зарядной катушки, от сигнального датчика и от високоволтного(бабина) к ним припаеваете куски изолированого провода и выводите за предели маховика и согласно распиновки по подключене подключаете к комутатору хонди либо риги-карпати.

РАСПИНОВКА
⚠ Тільки зареєстровані користувачі бачать весь контент та не бачать рекламу.
.



РАСПИНОВКА КОМУТАТОРА ХОНДА
⚠ Тільки зареєстровані користувачі бачать весь контент та не бачать рекламу.
УДАЧИ.

Спасибо, всё ясно. Наверное так оно и будет.
 

Вкладення

  • 4545.webp
    4545.webp
    16.1 КБ · Перегляди: 211
  • 0_36aaa_ecd0adfa_L_0.webp
    0_36aaa_ecd0adfa_L_0.webp
    19 КБ · Перегляди: 309
  • katushka_generatornaya_mb1-600x600.webp
    katushka_generatornaya_mb1-600x600.webp
    27.1 КБ · Перегляди: 207
Останнє редагування:
Подскажите по поводу подшипников на редукторе, хочу поставить все закрытые это хорошо или не стоит этого делать?
 
Назад
Зверху Знизу