Статус: Офлайн
Реєстрація: 11.11.2004
Повідом.: 33406
Реєстрація: 11.11.2004
Повідом.: 33406
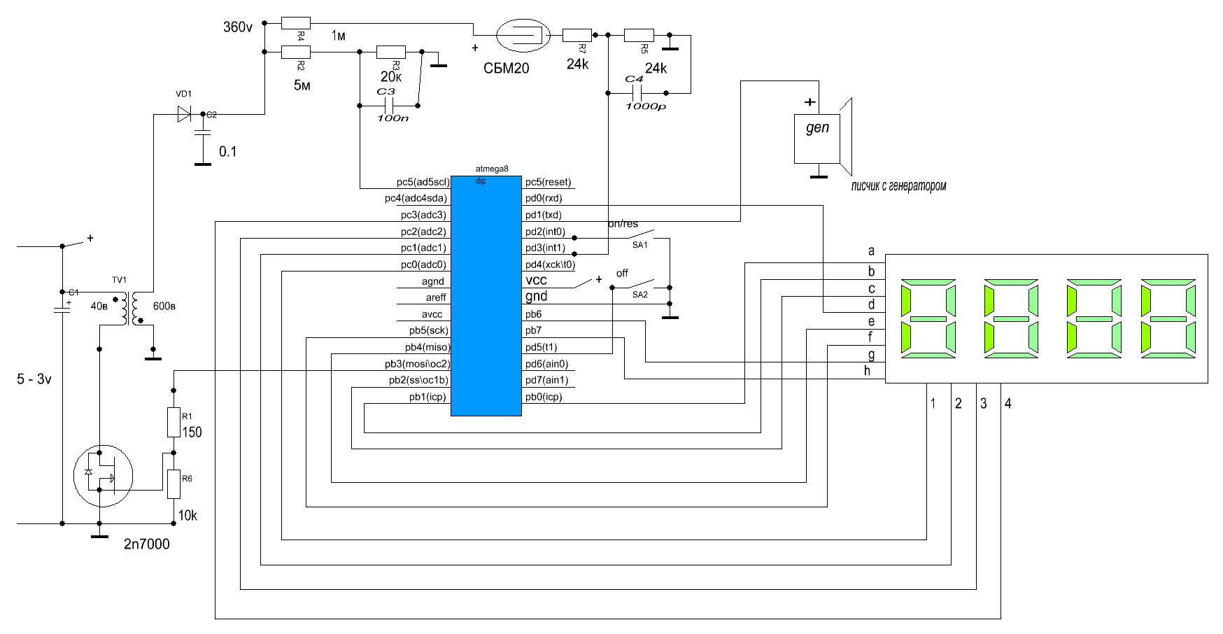
ты принцип работы представляешь его? что там поверять?
⚠ Тільки зареєстровані користувачі бачать весь контент та не бачать рекламу.
то есть тебе проще вывести



