Статус: Офлайн
Реєстрація: 17.12.2007
Повідом.: 5052
Реєстрація: 17.12.2007
Повідом.: 5052
Ну так и берите с катушками на 220В
Перегляньте відео нижче, щоб дізнатися, як встановити наш сайт як веб-програму на головному екрані.
Замітка: This feature may not be available in some browsers.
Спасибо за ответ. так и сделаю на 220В.Отстраивать не надо. Кабеля от них лежат в лотке вместе с силовыми, ни одной ложной сработки. Берите на 220 зачем усложнять цепи управления трансом. На 12 или 24 можно ставить в опасных по категории помещениях.
Если про такое как на этом фото то у меня на работе их сотни стоят. А что про них интересно Вам знать? В кратце есть с катушкой на 12, 24, 220v. В нутри электромеханика при подаче импульса размыкает контакт при следующем импульсе замыкает и так по кругу. Очень удобная штука если нужно дистационное включение более чем с двух мест.
Понял, оставлять надо побольше. Спасибо за ответы

полторы высоты, это в притирку, оптимально высоту плюс ширину, если не жадный то лучше две высотыНу и небольшой вопросик появился: сколько оставлять (в см, м) кабеля для монтажа распред.щита?
С Новым Годом! Здоровья, процветания, удачи в будущем году!
Ну и небольшой вопросик появился: сколько оставлять (в см, м) кабеля для монтажа распред.щита?
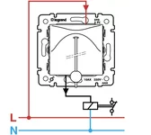
Знатоки электрики,подскажите...не хочу новую тему создавать из-за пустякового вопроса. Сейчас заканчиваю ремонт в коридоре и появилась идея поставить датчик движения на включения света.Розетки, включатели schneider Unica.
Так вот у них есть датчик встроенный. Его недостаток стоимость, а теперь вопрос, есть смысл переплачивать за него или можно купить обычный за 300-500 грн? Может кто то устанавливал такие и знает их недостатки
. Хотя чему удивлятся если сейчас однополюсный автомат шнайдер серии домовой в маркете стоит 60грн и выше. Смотрите если Вам уж совсем хочется такой то могу помочь в этом вопросе. У меня по Шнайдеру хорошая скидка и выйдет на порядок дешевле.