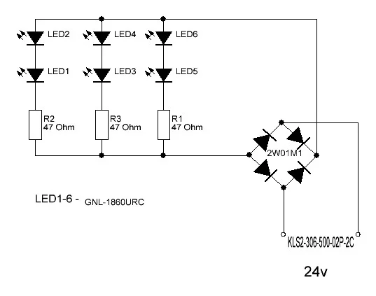
Может стоит сказать, что это за хрень, куда вставляется и для чего используется?! тогда будет понятно... 24 Вольта.. И диодный мост на входе как бы намекают на что-то интересное...
И, как тут писали, судя по резисторам, 24 вольта там не простые...
И, как тут писали, судя по резисторам, 24 вольта там не простые...
