Перегляньте відео нижче, щоб дізнатися, як встановити наш сайт як веб-програму на головному екрані.
Замітка: This feature may not be available in some browsers.
Апну темку...
Возник вопрос в защите по току.
Собственно говоря, вопрос такой: какие бывают принципиальные схемы защиты от КЗ (превышения тока)?
Вариант поставить низкоомный резистор и мерять на нем падение напряжения - этот вариант я знаю ;-)
Есть вариант по просадке напряжения посмотреть... не совсем то, но близко и, как вариант, можно, наверное, использовать...
А еще варианты какие-то есть?
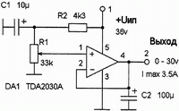
Микросхема усилителя НЧ TDA2030A фирмы ST Microelectronics пользуется заслуженной популярностью среди радиолюбителей. Она обладает высокими электрическими характеристиками и низкой стоимостью, что позволяет при минимальных затратах собирать на ней высококачественные УНЧ мощностью до 18 Вт. Однако не все знают о ее "скрытых достоинствах": оказывается, на этой ИМС можно собрать ряд других полезных устройств. Микросхема TDA2030A представляет собой 18 Вт Hi-Fi усилитель мощности класса АВ или драйвер для УНЧ мощностью до 35 Вт (с мощными внешними транзисторами). Она обеспечивает большой выходной ток, имеет малые гармонические и интермодуляционные искажения, широкую полосу частот усиливаемого сигнала, очень малый уровень собственных шумов, встроенную защиту от короткого замыкания выхода, автоматическую систему ограничения рассеиваемой мощности, удерживающую рабочую точку выходных транзисторов ИМС в безопасной области. Встроенная термозащита обеспечивает выключение ИМС при нагреве кристалла выше 145°С. Микросхема выполнена в корпусе Pentawatt и имеет 5 выводов.
Простой лабораторный блок питания.
![]()
⚠ Тільки зареєстровані користувачі бачать весь контент та не бачать рекламу.
а еще я пользовал геркон, на который намотано неск. витков провода (толстого) - весьма точное определение превышения тока (ессно, постоянного..)
На заре компьютеризации такие "предохранители" стояли в промышленных блоках питания +5 В 15 или 18?А одной из первых микроконтроллерных СМ-1800 на ОС СР/М
Веселі хлопці, ніколи з дугою на контактах тумблера не стикалисяв БП от радиостанции Лён.

Стояло в тиристорному приводі постійного струму реле напруги з герконової релюшки, мало відсікати перевищення 440 вольт на якорі. Були постійні хибні спрацьовування починаючи десь від 300 вольт, калібровку перевіряв -- ОК. Як виявилося, накладалися магн.поле і вібрація установки (моторчик на 75 кіловатиків), герконові вистачало. Викинув нафіг. Потім викинули привід повністю, бо ще якісь глюки кидав, я задовбався виловлювати, а в них був в запасі якийсь серйозніший девайс.а еще я пользовал геркон, на который намотано неск. витков провода (толстого) - весьма точное определение превышения тока (ессно, постоянного..)
ага, не я один невнимательный.ніколи з дугою
ага, я так когда-то стробоскоп собрал на двух ИФК-120 (еще в школе). и заметил, что 2 параллельно расположенных трансформатора поджига, намотанных на стерженьке ферритовом, переставали поджигать друг друга только при разнесении сантиметров на 10, или повороте перпендикулярно.накладалися магн.поле
Ну якщо транс маленький, а ще й тороїдальний, то за нормальних умов там дуга буде не дуже жирна, до протилежних контактів не дотягнеться(що,напевно, підтвердила практика експлуатації).Але виткове замикання, КЗ у вторинних колах, невеличка перенапруга в мережі можуть ту дугу підгодувати, і тоді 220 мінус 60-80 вольт напруги горіння двох дуг попруть в електроліт і даліне я один невнимательный

Нє, то в мене чисто механічний ефект2 параллельно расположенных трансформатора поджига, намотанных на стерженьке ферритовом, переставали поджигать друг друга

тот кондер и не зарядится толком )))КЗ у вторинних колах,
Зате феєрверк буде ефектний, при достатній надійності запобіжника тумблер рознесекондер и не зарядится толком
Варіанти КЗ, прияких електроліт незакорочений -- пробитий діод, замикання між анодами діодів
ну и как он (элетролит) тогда зарядится?пробитий діод, замикання між анодами діодів
Дуга потягнеться за контактами тумблера при розмиканні кола 220 В. І при вдалому збігу обставин, які я вище називав, вона може втриматися до моменту замикання протилежних контактів. Думаю, наслідки зрозумілі більшості тут присутніх
ПКН-41