Статус: Офлайн
Реєстрація: 23.01.2011
Повідом.: 483
Реєстрація: 23.01.2011
Повідом.: 483
Перегляньте відео нижче, щоб дізнатися, як встановити наш сайт як веб-програму на головному екрані.
Замітка: This feature may not be available in some browsers.
Ты давно здесь фон мерял?Давай в твоём гараже померяем (один дозиметр - "Припять" карманных размеров, другой - автомобильный ДБГБ, светодиодная линейка)
![]()
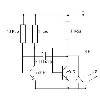
Транзисторы взял другие, уже не помню маркировку...⚠ Тільки зареєстровані користувачі бачать весь контент та не бачать рекламу.
Месяца 3-4 уже стоит - непрерывно мигает. Отдал ребянку пилотный вариант. Питание - 2х1,5В (АА).это просто пример, не знаю, как там с автономностью
Не хотели плохое советовать.Жаль,что никто раньше не предложил Ардуину ;-)
Ну вот! Я таки научился использовать микропроцессор для мигания светодиодиком ;-)
