Статус: Офлайн
Реєстрація: 31.08.2008
Повідом.: 6268
Реєстрація: 31.08.2008
Повідом.: 6268
Шо это с пилой?
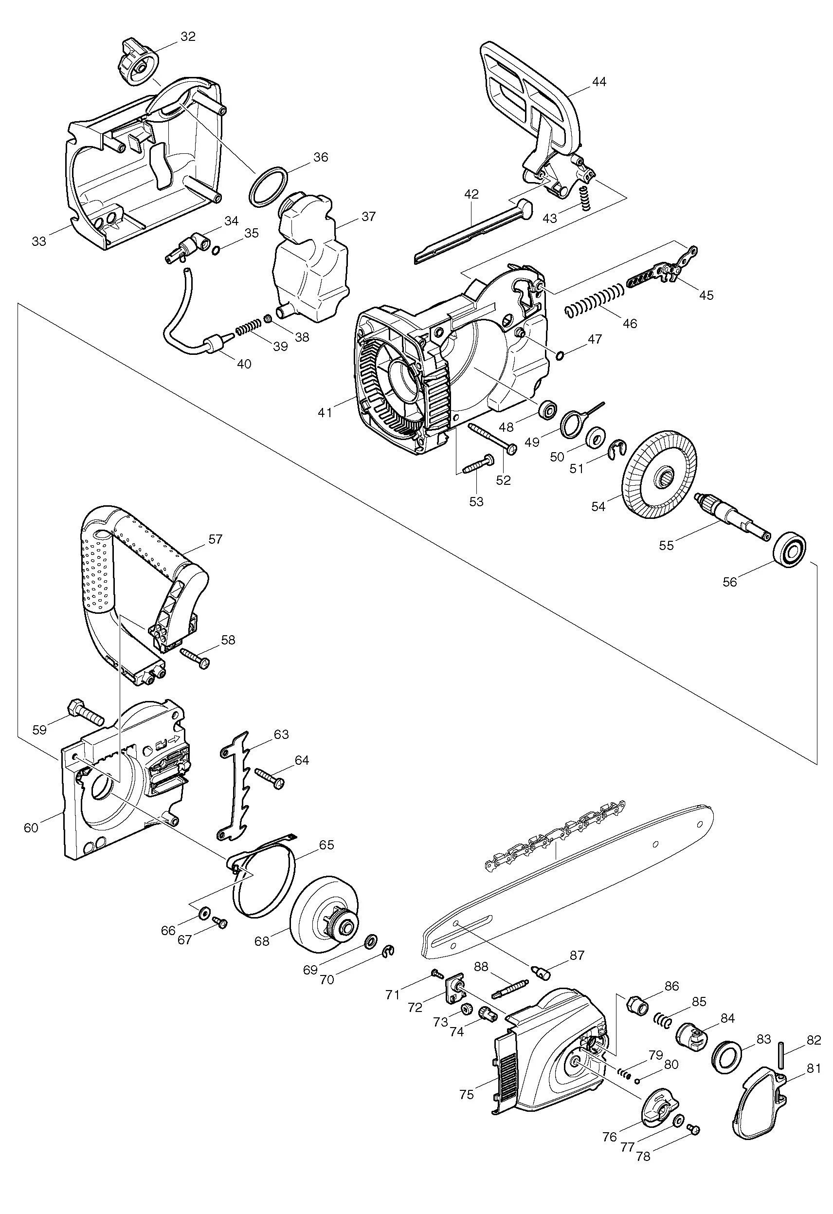
Кароч есть пила Макита. Ей сто лет в обед. Прошла крым и рим. Цепок точился миллион раз, менялся 100500 раз, а шина еще родная. Началась такая странная фигня, когда начинаешь пилить, издаёт стрёмный звук.
Я отрегулировал натяжение цепка, включаю пилу просто в воздухе, и видно что цепок то натянут, то ненатянут и аж скачет. Кто знает, шо это за байда? Шину пора менять, или всей пиле настала вафля??
Кароч есть пила Макита. Ей сто лет в обед. Прошла крым и рим. Цепок точился миллион раз, менялся 100500 раз, а шина еще родная. Началась такая странная фигня, когда начинаешь пилить, издаёт стрёмный звук.
Я отрегулировал натяжение цепка, включаю пилу просто в воздухе, и видно что цепок то натянут, то ненатянут и аж скачет. Кто знает, шо это за байда? Шину пора менять, или всей пиле настала вафля??
я не знал...