Статус: Офлайн
Реєстрація: 30.11.2007
Повідом.: 948
Реєстрація: 30.11.2007
Повідом.: 948
Таке...
Польовички:
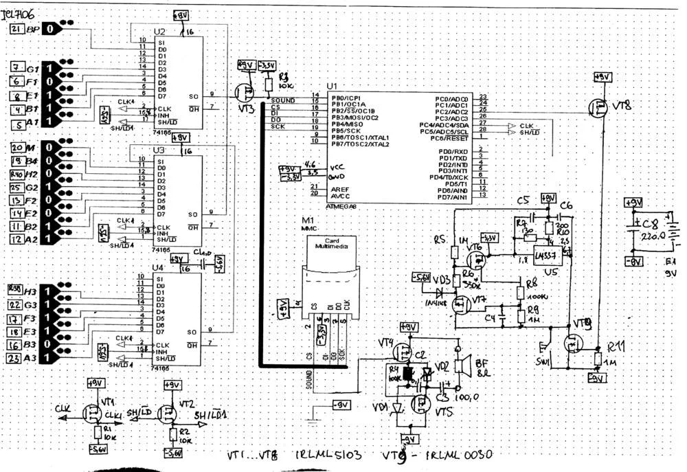
79L05 ставити перехотілося через великі мінімальний перепад і власне споживання, тому 5 вольт для регістрів спробуємо стабілізувати на дискреті, опираючись на процесорних 3.3.
Запускаючи, перед запаюванням проца бажано проконтролювати, як працюють стабілізатори.
Реально з 3-ма регістрами можна читати до 25 сигналів, 24 по паралельних входах, 25-й -- в хвіст послідовно, тільки на якісь мікросекунди буде відрізнятися момент фіксації значення.
Оскільки нема прив'язки до опорної фази меандру, то читатимуться приблизно з однаковою імовірністю позитиви і негативи, а також є мізерний, але ненульовий шанс впіймати перехідний процес. Тому читаємо мінімум 2 рази, а якщо дані не співпали -- повторюємо до отриманя 3-х однакових відліків підряд.
Робочий режим вихідних портів -- з 3-ма станами, перед сплячкою переводимо в режим входу з підтяжкою.
Також слід проконтронтролювати, що робиться на цих виходах після провалу живлення проца. Якщо є якісь смикання, підтягуємо до + мегаомниками.
Хоча сподіваюся, що в реальному житті вихід заживленого фантомно регістра буде смикатися через активний рівень входу паралельного запису, і узгоджувальний ключик через 10-кілоомник посадить залишковий заряд в колах живлення проца
Ще задля уникнення запуску від наводки бажано шунтанути ємністю 10 нан затвор нижнього n-канальника...
Польовички:
⚠ Тільки зареєстровані користувачі бачать весь контент та не бачать рекламу.
⚠ Тільки зареєстровані користувачі бачать весь контент та не бачать рекламу.
79L05 ставити перехотілося через великі мінімальний перепад і власне споживання, тому 5 вольт для регістрів спробуємо стабілізувати на дискреті, опираючись на процесорних 3.3.
Запускаючи, перед запаюванням проца бажано проконтролювати, як працюють стабілізатори.
Реально з 3-ма регістрами можна читати до 25 сигналів, 24 по паралельних входах, 25-й -- в хвіст послідовно, тільки на якісь мікросекунди буде відрізнятися момент фіксації значення.
Оскільки нема прив'язки до опорної фази меандру, то читатимуться приблизно з однаковою імовірністю позитиви і негативи, а також є мізерний, але ненульовий шанс впіймати перехідний процес. Тому читаємо мінімум 2 рази, а якщо дані не співпали -- повторюємо до отриманя 3-х однакових відліків підряд.
Робочий режим вихідних портів -- з 3-ма станами, перед сплячкою переводимо в режим входу з підтяжкою.
Також слід проконтронтролювати, що робиться на цих виходах після провалу живлення проца. Якщо є якісь смикання, підтягуємо до + мегаомниками.
Хоча сподіваюся, що в реальному житті вихід заживленого фантомно регістра буде смикатися через активний рівень входу паралельного запису, і узгоджувальний ключик через 10-кілоомник посадить залишковий заряд в колах живлення проца

Ще задля уникнення запуску від наводки бажано шунтанути ємністю 10 нан затвор нижнього n-канальника...
Вкладення
Останнє редагування:
Здалось би позбільшувати номінали резисторів, але де та межа, при якій попливе (вверх!) вихідна напруга, треба визначити експериментально... І залишити якісь технологічні запаси на температуру/старіння etc...