Змінюй хід війни! Допомагай ЗСУ!

Электрофлуд :)

  • Автор теми Автор теми RUH
  • Дата створення Дата створення
Доехал первый из 2х SIM900 board :) Тот шо по меньше.
Теперь думаю - лепить контроллер, или телеметрию так повесить?
Ктонить под сам SIM900 мисать пытался? Как там с функционалом и удобством IDE?

У меня вот такая телеметрия, IDE не использую.
 

Вкладення

  • tm.webp
    tm.webp
    61.5 КБ · Перегляди: 217
⚠ Тільки зареєстровані користувачі бачать весь контент та не бачать рекламу.
веб мастеру надо напинать чтоб прописал кодировку страниц.
 
У меня вот такая телеметрия, IDE не использую.

Картинго ета красив, но вопрос был про подключение модуля к внешнему миру.
Ты ставил отдельный МК, раз IDE не используешь, я так понимаю. И АТ-командами с ним дружишь. Или ещё как настраивал? Я просто этого зверька впервые держу. Сижу щас его в боксик запизиваю с аккумулятором, выходом UART и прочею бедою.
 
Картинго ета красив, но вопрос был про подключение модуля к внешнему миру.
Ты ставил отдельный МК, раз IDE не используешь, я так понимаю. И АТ-командами с ним дружишь. Или ещё как настраивал? Я просто этого зверька впервые держу. Сижу щас его в боксик запизиваю с аккумулятором, выходом UART и прочею бедою.

Все на AT, процик stm32f1xx.
 
Все на AT, процик stm32f1xx.

Не многовато? Или он у табе интернетом занят?
На мою задачу пока AVRка справляется. Но F103 лежит - ни как не настрою еклипса :)

А ты меню с общением DTMF посылками под него не делал?
 
Не многовато? Или он у табе интернетом занят?
На мою задачу пока AVRка справляется. Но F103 лежит - ни как не настрою еклипса :)

А ты меню с общением DTMF посылками под него не делал?

DTMF нет, это не нужно в моем случае.

У меня телеметрия через gprs.
Модем может сам себя перефлешить если это надо.
Для этого поднят специальный онлайн ресурс.
 
Ну то пока далеко, сначала буду разбираться с граблями.
Грабли№1
0

RDY

+CFUN: 1

+CPIN: READY

+CREG: 0

+CREG: 2

+CREG: 0
at+creg?

+CREG: 1,0

OK
Иусё. Сети все видит, но не регистрируется нихрена... мож выключен передатчик?
Надо скурить мануал по командам...
 
Ээээ, Рес, стисняюсь спросить, но все таки, ты антенну прикрутил к нему? И второе, зверек к питанию критичен вельми. Может запустится а при попытке законнектицца, ток растет, напруга падает, модкль злится и может забить на это дело.

У меня модемы на SIM900 пускались без всяких плясок с бубном.
А педератчик включен, иначе на CFUN он бы ответил цифрой 4.
 
Останнє редагування:
Модем кушает ток короткими импульсами под 2 ампера.
Средний ток потребления примерно 800 мА.

Зависит от class gprs, сколько таймслотов занято на передачу.
 
Так если питальник проваливается под этими импульсами то модуль шутки не оценит. Я когда плату трассерил, то как настоящий русский сначала делал, потом думал :D
Оттого только с третьего раза модемы стали работать нормально.
 
Так у Славика вроде готовая заводская плата.
 
Но он готовую заводскую плату питает каким то питальником.
 
Готовая заводская плата питается от лития. После кнопки на всякий случай стоит 3300Х6,3 LowESR и непосредственно на разъеме платки - 100мкф, тож лоу еср.
На плате пара танталлов 476 и керамика. После выключения кнопки модем ещё пару секунд мигает от конденсатора.

ИМХО - я вчера, играючись с командами в 2 часа ночи, видимо, выключил ему передатчик.
Ну и там есть PWR_Switch, который ещё включать надо правильно.

К стати, после подачи питания через сколько кто давит поверсвич в ноль? Я слышал про полторы секунды. Если так, то у меня не будет - у меня тупо через 5,1к и 2,2мкФ, абы чуть позже питания.



Платка, к стати, такая

UT8NLekXc8aXXagOFbXJ.webp

UT8jfakXdFaXXagOFbXd.webp


Буду дальше ковырять настройки. Могет быть у меня ещё установлен тип GSM, который не поддерживают точки в зоне видимости.
Вариант рокера с антенной отпадает, так как
а) она там физически есть
б) он находит всех операторов (там есть команда такая) и честно их показывает вместе с качеством сигнала.

UT8zkWjXkVeXXagOFbXP.webp

UT8fBijXctdXXagOFbXo.webp


UT8WVOkXhBcXXagOFbXA.webp
 
Останнє редагування:
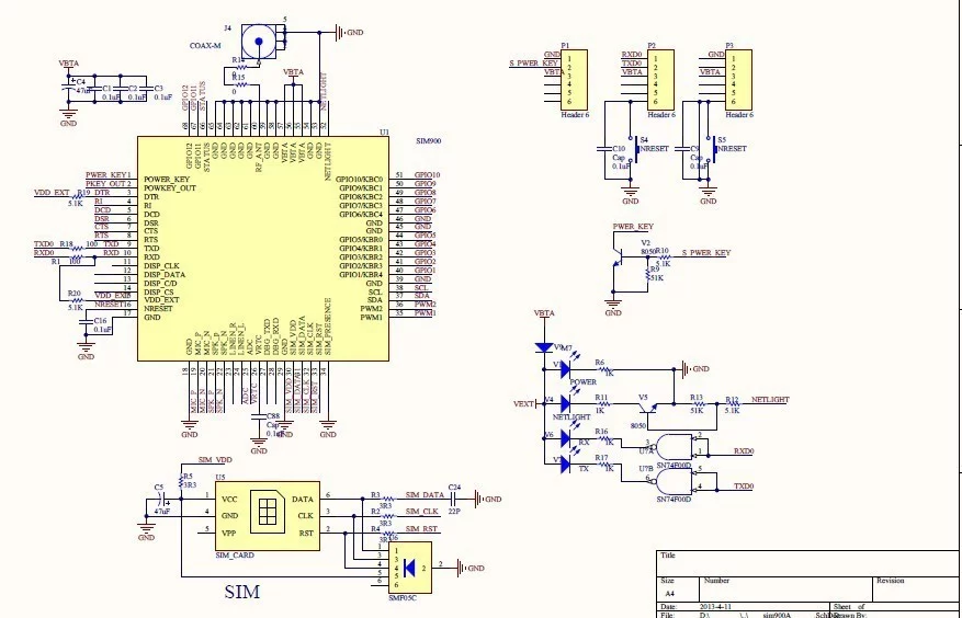
Славик, давай я тебя угощу нормальной платкой собственного производства.
Там отдельно выведено включение модема и пов кей на пины, только звук не выведен.
 
Славик, давай я тебя угощу нормальной платкой собственного производства.
Там отдельно выведено включение модема и пов кей на пины, только звук не выведен.

Я откажусь? Нет, я не откажусь :D Только надо будет заказать под неё модуль - этот вломы выпаивать.

А что с платкой-то? Тут тоже отдельно на пинах и пов-кей и питание модема. То я просто так включил - не хотелось среди ночи сверлить корпус, чтобы кнопку влепить.

Вторая плата тоже едет. Играться ж надо на чем-то. Если пойдёт - ессно будут заказываться с Китая симкомы. Он там $8 стоит, и ещё на $2 рассыпухи (если антенной модной пренебречь и впаять провод, так как устройство закрытое и вынос антенны а) не предусмотрен; б) не нужен и даже вреден в полевых условиях, так как в разъем обязательно вода попадет) , а такая платка стоит под $30, а те, что по больше - под $40.
 
Ну и там есть PWR_Switch, который ещё включать надо правильно.
По этому поводу запилена целая статья на сайте microchip.com.ua. Они официальные дистрибьютеры симкома и с техподдержкой у них все отлично. Парни грамотные и на модулях этих собаку съели, как то общался по телефону.
 
Я откажусь? Нет, я не откажусь :D Только надо будет заказать под неё модуль - этот вломы выпаивать...

Вечером могу угостить.
Ничего заказывать не надо.

Все полностью собрано и неоднократно работало в разных макетах.



По этому поводу запилена целая статья на сайте microchip.com.ua. Они официальные дистрибьютеры симкома и с техподдержкой у них все отлично...

Та ну их в ****...
Хамы отборные, поэтому я так резко на них, что себе обычно не позволяю.

Эдик сказал что мы все мудаки и не умеем включать их модемы, и мы решили что если мы их включать не умеем, то и нефиг их вообще включать.
 
Останнє редагування:
Вечером могу угостить.
Ничего заказывать не надо.

Все полностью собрано и неоднократно работало в разных макетах.
.

Пасиб, но давай в понедельник. У меня желание лично по топтаться по граблям :) Я тоже не умею включать симкомы :D

P.S. Думаю, мож перепрошить его...



О. Покурил ману. Таки нет там ни каких полторы секунды
Bezymiannyi_cr.jpg


Но то мой тёзка. Щас поверсвич скурю.

Одна секунда.
PWR_cr.jpg


То есть, я полюбому *****ю со своей RC-цепочкой :)
 
Останнє редагування:
О. Покурил ману. Таки нет там ни каких полторы секунды
Забей на полторы секунды. Модем нормально включается если поверсвич тупо закоротить на землю. Навсегда. Я понимаю что так делать нельзя, но работает.

Та ну их в ****...
Хамы отборные, поэтому я так резко на них, что себе обычно не позволяю.
Охренели они там что ли. Я общался года 3 назад, отвечали нормально без хамства, в проблему вникли, советов дали.
 
Назад
Зверху Знизу