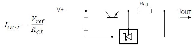
Можно так. Транзистор можно и биполярный, но с полевиком лучше стабильность. IRFBG30 + TL431.
Почему лучше?
Перегляньте відео нижче, щоб дізнатися, як встановити наш сайт як веб-програму на головному екрані.
Замітка: This feature may not be available in some browsers.
Можно так. Транзистор можно и биполярный, но с полевиком лучше стабильность. IRFBG30 + TL431.
Нет влияния тока базы.
Она, конечно, очень похожа на ту, в которой он будет влиять... но — лишь похожа. 

"Вкладываться" в Vka=37В не прийдётся. В такой схеме Vka = Vref + Vbe = 2.5+.65 = 3.15 V.Вариант действительно неплохой. Осталось только понять - можно ли собрать такой регулятор, который будет работать в схеме с 900В в питании? То есть вложимся ли в Vka=37В у TL431...

Если не зацикливаться на двухполюснике, то Rb можно подключить к стабилизатоу на 10 - 12 Вольт и при h21e = 15 (например) потребуются Re = 29,3 и Rb = 1 Ком.


Не очень понял, what is the idea behind it.На самом деле на данный момент нужно устанавливать ток на отметке 20мА при 800В. Таким образом задается режим работы выходного каскада на EL34.

Не очень понял, what is the idea behind it.
Да и стоимость такого решения явно ниже, чем IXCP10M90S.
Это, право, ньюансы терминологии.Это не двухтакт, это балансный усилитель

Тогда, как вариант, дроссель со средней точкой, подключенной к земле. Галетное секционирование.В наличии уже есть готовые печатные платы, и хотелось бы менять только верхнюю часть

Попробую отмакетировать и проверить его работу. Но пара вопросов есть.
По точкам там не совсем понятно (где связь, а где пересечение) и интеграция в схему/подключение нагрузки. Еще интересно значение доп. цепи справа, а также применение элементов. Напряжение высокое, не хочется что-то перепутать и сделать ба-бах.