Змінюй хід війни! Допомагай ЗСУ!

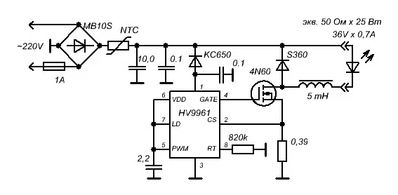
Схема LED драйвера

  • Автор теми Автор теми citylook
  • Дата створення Дата створення
А эта схема норм?
035e6d482b0383197031c2b679652aae.webp

да эта лучше, за счёт ограничивающего резистора более устойчива к искрению и от сети будет работать надёжнее

но самое простое это использовать старую зарядку от телефона,
стоят они копейки а напряжение выдают 5в или 12в при токе 0,5-1А
но светодиоды придётся включить паралельно-последвательно с уравнивающими резисторами

для приведённой схемы
предохранитель надо поставить на 0,25-0,5А
там токи текут десятки миллиампер и предохранитель в 1А это перебор(защита только от пробоя конденсатора и пожара).
кратковременные перегрузки по току при включении он выдерживает.
из схемы можно выкинуть электролит и стабилитрон светить будет также(как люминисцентная)
что только увеличит надёжность схемы.
чтобы лампа светила даже при отказе любого из светодиодов,
паралельно каждому светодиоду впаять стабилитрон на 4,3-4,7в
 
Останнє редагування:
1)1мкф -70мА , 0,5 мкф-35мА ... и т.д. для простоты расчёта при 220в 50Гц
2)Резистор по входу обязателен, определяется максимально допустимым импульсом тока при включении, если подгорает-искрит контакт и Вашу схему он сохраняет не хуже предохранителя
3)Бросок тока через светодиоды опасен, поэтому небольшой резистор перед ними не помешает
 
Broyn сказав(ла):
из схемы можно выкинуть электролит и стабилитрон светить будет также(как люминисцентная)
что только увеличит надёжность схемы.
Серьезно? Именно электролит берет на себя начальный бросок тока. А без него все попрет через светодиоды. Надежность ниже плинтуса.
 
В общем, работать то работает все. Но после высказывания разных людей, как то стремно оставлять без присмотра эту схему, при скачках электро-энергии, могут быть не хорошие последствия?

И еще такой вопрос, к примеру если взять кондер на 1мкф -70 мА и включить один светодиод, перед ним поставив соответствующий резистор и все будет работать? светодиод не сгорит?
 
И еще такой вопрос, к примеру если взять кондер на 1мкф -70 мА и включить один светодиод, перед ним поставив соответствующий резистор и все будет работать?
Будет. Такая схема представляет собой практически источник тока. Один светодиод или десяток - другой, разницы никакой.
светодиод не сгорит?
Хотите надёжности? Потратьте 14 гр, купите
⚠ Тільки зареєстровані користувачі бачать весь контент та не бачать рекламу.
, плюс пятёрку на остальное и имейте балласт на 50 мА за 20 гр. :клас:

12101613187766.jpg


Зачем изобретать велосипед?

Мало 50 мА? Есть
⚠ Тільки зареєстровані користувачі бачать весь контент та не бачать рекламу.
за 9,50. Требует внешнего транзистора (+ червонец), зато тянет почти ампер.

1.webp
 
Що це за супер-пупер транистор за червонець, що не може бути замінений на щось дешевше?
 
Що це за супер-пупер транистор за червонець
Ладно, за 6. IRF840PBF в Космодроме. Или за 4 - NDD04N60ZT4G, там же.
Впрочем, вопросы предельного удешевления изделия ТСом, вроде, не рассамтривались. :)
 
А есть возможность изменения тока балласта с изменением сетевого напряжения?
 
Хочу чтоб от симисторного диммера яркость регулировалась.

Очень хочется экономить электроэнергию. Просто вкрутить светодиодную "лампочку" везде не получается, поскольку местами стоят диммеры. Убрать их тоже не могу, потому как зимой утром семья не любит свет включать на полную.



Вот надоела люминисцентная в настольной лампе. Поскольку там яркость не надо регулировать, домотал МГТФом ******* в зарядке от мобильника до 12В и наклеил лену. Очень нравится по ночам ковыряться в железках под таким светом.
 

Вкладення

  • IMG_4938.webp
    IMG_4938.webp
    79.5 КБ · Перегляди: 1763
  • IMG_4939.webp
    IMG_4939.webp
    121.1 КБ · Перегляди: 1692
Останнє редагування:
Yuri S сказав(ла):
Хочу чтоб от симисторного диммера яркость регулировалась.
По-моему, в таком случае не нужно никаких конденсаторов и тем более драйверов. Выпрямить напряжение, сгладить конденсатором. Подключить цепочку диодов на все получившееся напряжение (все последовательно) и добавить в разрыв ограничитель тока (например, ОУ + полевик). И сделать так, чтобы при сетевых 200 В ограничитель еще не включался и была полная яркость (запас на 180-200 в сети, вдруг и тогда захочется сделать поярче).

ЗЫ А можно и не выпендриваться с ОУ и полевиками:

syemled-2-.gif
 
Останнє редагування:
-1 и ****ец любым транзисторам, даже биполяры у которых не 20 вольт гейт прошибёт со спецэффектами. Фу фу фу
 
По-моему, в таком случае не нужно никаких конденсаторов и тем более драйверов. Выпрямить напряжение, сгладить конденсатором. Подключить цепочку диодов на все получившееся напряжение (все последовательно) и добавить в разрыв ограничитель тока (например, ОУ + полевик). И сделать так, чтобы при сетевых 200 В ограничитель еще не включался и была полная яркость (запас на 180-200 в сети, вдруг и тогда захочется сделать поярче).

ЗЫ А можно и не выпендриваться с ОУ и полевиками:

syemled-2-.gif

Схема "сыровата". Я бы по "миниму" резистор и стабилитрон добавил: резистор параллельно всей цепочке светодиодов, а стабилитроном защитил транзистор BD711.
 
Не, есть одноватные светодиоды. На одну лампочку 7 штук, а это 21-24 вольта всего максимум.
 
По-моему, в таком случае не нужно никаких конденсаторов и тем более драйверов. Выпрямить напряжение, сгладить конденсатором. Подключить цепочку диодов на все получившееся напряжение (все последовательно) и добавить в разрыв ограничитель тока (например, ОУ + полевик). И сделать так, чтобы при сетевых 200 В ограничитель еще не включался и была полная яркость (запас на 180-200 в сети, вдруг и тогда захочется сделать поярче).

ЗЫ А можно и не выпендриваться с ОУ и полевиками:

syemled-2-.gif

Эта схема при таком количестве светодиодов будет мигать с частотой 50 Гц. А связано это с тем, что светодиод ведет себя как стабилитрон. Светодиод белый зажигается при напряжении не менее 2,3V. Значит цепочка из 125 светодиодов загорится при напряжении не менее 2,3V*125 = 287,5V и будет гореть только малую часть периода синусоиды, пока напряжение в сети опять не упадет ниже 287,5V.
Поэтому надо ставить сглаживающий конденсатор сразу после диодного моста.

А если в качестве ограничителя тока поставить LM317, то количество светодиодов можно будет уменьшать, пока падение напряжения на ней не превысит паспортное или она не начнет перегреваться.

Кстати, на входе обязательно необходимо поставить резистор R1=10 Ом для ограничения начального зарядного тока сглаживающего конденсатора. Еще хорошо бы, варистор для аварийной защиты от перенапряжения на входе.
Ну, и для дальнейшего уменьшения количества светодиодов можно ставить последовательно балластный конденсатор - всё зависит от того, что вы хотите сделать.
На схеме варистор и балластный конденсатор не показан.

attachment.webp




PS
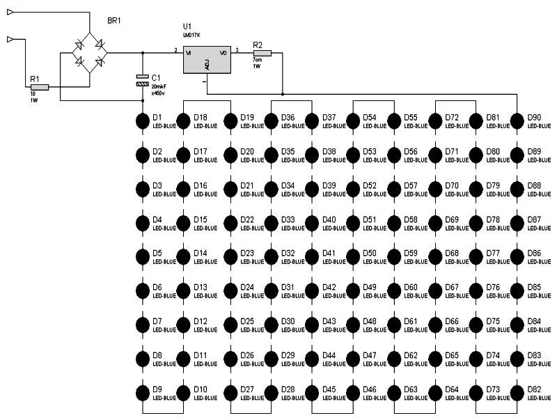
Похоже, что-то подобное этой схеме сейчас производит в Раиссе SvetaLed Санкт-Петербург

attachment.webp


В одном корпусе матрицы по 12 последовательно соединенных светодиодов, все матрицы соединены последовательно. Микросхема ограничения тока видна на плате.

attachment.webp
 

Вкладення

  • LED90_220.webp
    LED90_220.webp
    64.8 КБ · Перегляди: 13437
  • SvetaLed Санкт-Петербург.webp
    SvetaLed Санкт-Петербург.webp
    39.2 КБ · Перегляди: 4754
  • SvetaLed Санкт-Петербург_01.webp
    SvetaLed Санкт-Петербург_01.webp
    63.2 КБ · Перегляди: 3377
Останнє редагування:
Хочу чтоб от симисторного диммера яркость регулировалась.
Видите ли, регулирование яркости лампы накаливания - это одна история, люминесцентной лампы - несколько другая, светодиодного источника - третья.
Симисторный диммер слабо подходит для этих целей, поскольку основная идея питания светодиодов это стабилизация тока. Им же регулируется и яркость.
Наверняка можно изобрести приставку, преобразующую среднее значение напряжения питающего напряжения в пропорциональный ток - балластный резистор, например. Но что тогда будет с Вашей экономией? А ваять очень ограниченную серию уникальной электроники - может проще продать диммеры и перейти полностью на LED?
 
Я понимаю, что регулировкой напряжения плавности особой не будет. Пока поставил на светодиоды обыкновенный трансформаторный БП. Яркость регулируется приемлемо, на транс в освещении как-то вчерашним днём веет.

может проще продать диммеры и перейти полностью на LED?

Я не против, а как регулировку яркости сделать не меняя проводку, или нет вариантов?

Может с ШИМ помудрить?
 
а как регулировку яркости сделать не меняя проводку
Смотрите. На HV9910 есть схема стабилизированного БП.

LowPwrSupplyHV9910.gif


Т.е., она регулируется. В данном случае - по входу LD, который в схеме балласта подключён к VDD. Похоже, вместо делителя 1 М - оптопара можно поставить потенциометр, должна быть регулировка. Можно купить, попробовать. Или почитать даташит, для начала.
При таком раскладе, микросхема с обвязкой, естественно в варианте LED драйвера, монтируется на место диммера, а два провода к лампочке превращаются в два провода к светодиоду.
 
Если вместо делителя 1 М - оптопара можно поставить резисторный делитель, т.е. обратной связи не будет через оптопару, в разнос не пойдёт?
С делителем, при уменьшении сетевого 300 вольт схема будет работать? Тогда на оптопару могу попробовать подать управляющее от диммера.

"микросхема с обвязкой, естественно в варианте LED драйвера, монтируется на место диммера, а два провода к лампочке превращаются в два провода к светодиоду. "

Наверное у меня получится если драйвер в распредкоробку с перекоммутацией в ней, а потенциометр на выключатель.



Бегло посмотрел даташит.
⚠ Тільки зареєстровані користувачі бачать весь контент та не бачать рекламу.
На стр.8 рис.3 вроде то что надо. Там от питающего ничего не зависит, но с питающим попробую регулировать через вход LD. Лезть в корбку, продавать диммер... для меня сложнее.





В космодроме HV9910 9,5грн и IRFL014N 4,5 грн, а сколько удовольствия!
 

Вкладення

  • IRFL014N.webp
    IRFL014N.webp
    29.9 КБ · Перегляди: 1251
Останнє редагування:
Назад
Зверху Знизу