Перегляньте відео нижче, щоб дізнатися, як встановити наш сайт як веб-програму на головному екрані.
Замітка: This feature may not be available in some browsers.
ну так они практически везде стоят, хз где может быть чтото другоеобнаружил там три аккума 18650 спаянных между собой
Главное тебе подобрать аккумуляторы по напряжению. Ёмкость повлияет на время зарядки и на время работы Шурика без подзарядки. Производитель- это только качество товара.В общем купить новые аккумы и спаять их не составляет проблемы - но образовался вопрос - если новые аккумы будут другого производителя и/или другой емкости не повлияет ли это на работу шуруповерта?
"Тщательней надо, ребята", и все будет в порядке при пайке.А вообще аккумулятор нельзя поять обычным паяльником(если нет спец. пластины для пайки от полюсов). Они боятся нагрева и можно испортить АКБ.

Главное тебе подобрать аккумуляторы по напряжению.

А что, стандартные аккумы 18650 бывают разного напряжения? насколько я знаю они одинаковые.Главное тебе подобрать аккумуляторы по напряжению. Ёмкость повлияет на время зарядки и на время работы Шурика без подзарядки. Производитель- это только качество товара.
А вообще аккумулятор нельзя поять обычным паяльником(если нет спец. пластины для пайки от полюсов). Они боятся нагрева и можно испортить АКБ.
Все правильно. Но li-ion должны быть высокоамперными, с малым внутренним сопротивлением, иначе под хорошей нагрузкой тоже не потянут.3 банки лития 18650 - будут стоить чуток дороже 2х гелиевых.
но результат будет.
Спорить не собираюсь. По ссылке вверху все есть. Если коротко: обычные на больших токах греются и быстро ******.да *****..
любой литий-ионник элементарно отдаёт токи в 10С..
этого вполне достаточно
На холостых крутить будет не плохо, а под нагрузкой... Когда-то сам лично измерял ток потребления от штатного КН аккумулятора (нового) в китайском шуруповерте: под нагрузкой ток поднимался до 20 А.подключаю БП от ноутбука 19В 4.7А.
- Количество последовательно включенных аккумуляторов в батарее.3S .... 4S ...5S
Он наверное имел ввиду одинаково заряжённые.
Подскажите, что означает плата BMS 3S .... 4S ...5S????
Это количество аккумуляторов??
Хочу переделать шуруповерт на 24В, вот размышляю какую плату BMS нужно брать в этом случае и на сколько ампер??
И как быть с родной зарядкой (написано 24В и 2А)..... каким напряжением и током лучше заряжать литивые аккумуляторы??
На холостых крутить будет не плохо, а под нагрузкой... Когда-то сам лично измерял ток потребления от штатного КН аккумулятора (нового) в китайском шуруповерте: под нагрузкой ток поднимался до 20 А.
- Количество последовательно включенных аккумуляторов в батарее.
Среднее напряжение одного литиевого аккумулятора в режиме разряда около 3.7 В.
Для 24 вольт нужно 24/3.7 = 6,5 (выбираем 7 штук последовательно включенных аккумуляторов). Зарядное напряжение ЗУ должно составлять порядка 5 В на аккумулятор, т.е. в конкретном случае около 35 вольт на клеммах ЗУ (!) в режиме заряда. При этом на клеммах аккумулятора напряжение не должно превышать 4,2 вольта ни в коем случае - иначе вздутие, перегрев, взрыв.
Расскажите это своему свинцовому автомобильному аккумулятору, про кратность токовсвинцовые не выдают токов свыше 1,5-2С..
кароч.. идея гавно.

))) пост давно некротировался, а вот шуруповерт и его свинцовые аккумы нет - все еще работает на тех же аккумуляторах, не менял ни разу. Разряжается немного быстрее - да. Но работает.Что не так? Где противоречие? Подаешь на плату 5В (для одного акк) - плата заряда поддерживает ток и ограничивает напряжение - по достижению 4,2 В снижает ток до нуля. И так для каждого аккумулятора, сколько бы их не было в батарее.Думаю не так. Подаёшь 5 В на плату она через полевики заряжает свой аккум и с помощью балансира контролирует напряжение на каждой банке по достижению 4,2В отключает банку.
Что не так? Где противоречие? Подаешь на плату 5В (для одного акк) - плата заряда поддерживает ток и ограничивает напряжение - по достижению 4,2 В снижает ток до нуля. И так для каждого аккумулятора, сколько бы их не было в батарее.
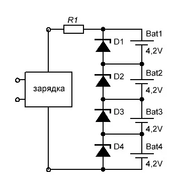
Вот сильно упрощенная схема зарядки с балансиром:
С напряжением ошибся.