Змінюй хід війни! Допомагай ЗСУ!

Ремонт лодочного мотора Салют

  • Автор теми Автор теми yuren
  • Дата створення Дата створення
Вспомнил еще нюанс из посещения завода. Хотел купить поршневые кольца, взял 2ш. присмотрелся, они оказались нового образца- толщина не более 0.9-1.0 и очень широкие. Можно купить поршень с кольцами в сборе. Ящики с коленвалами, с редукторами, шатунами, золотниками, винтами двухлоп., частями дейдвуда,резиновыми крыльчатками типа ветерковских но под салютовский вал....
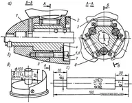
Делюсь мыслями по механизму управления двигателем. Требования обычные-минимальный вес, максимальные удобства.Управление дистанционное, т.к. ни на надувной, ни на каркасной байдарке (см фото вначале) транца нет как класса. управление заслонкой, газом осуществляется ручкой газа, поворот вправо-влево-поворотом рычага соответственно вправо-влево на30 градусов, при этом поворот двигателя +/-80градусов.Подъём-опускание двигателя (максимальный угол подъёма-70градусов) происходит при подъёме-опускании рычага из положения минус 15 градусов-плюс 30 градусов.
 

Вкладення

  • -м поворота-Model.webp
    -м поворота-Model.webp
    22.8 КБ · Перегляди: 1096
  • 2 салют всё-Model.webp
    2 салют всё-Model.webp
    27 КБ · Перегляди: 1121
  • 1 салют всё-Model.webp
    1 салют всё-Model.webp
    30.8 КБ · Перегляди: 1114
Как всё-таки наши "Салюты" нуждаются в новых конструктивных усовершенствованиях, доработках...21-й век на дворе , и такое наплевательское,неуважительное отношение к потребителю со стороны наро-фоминских "ваятелей" ПЛМ.Даже в Нара 4,7 не удосужились внедрить механизм включения холостого хода, да и фиксатор дейвуда для разворота двигателя при движении задним ходом, как это сделано на Сузуки 2,5. Может быть среди форумчан кто-нибудь модернизировал свой мотор механизмом включения холостого хода, или это технически не приемлимо?
 
Доброго времени всем! Петр, такое впечатление, что на суше, т.е. на форуме, бываем только мы с Вами, все остальные расплылись на своих Салютах кто куда. И нет ни кому ни какого интереса к моим переделкам. Наверное от сложности или от не интересности.
Для Вас прикрепил два файлика на предмет отключения винта, оригинал кроется где-то в середине семидесятых. При обсуждении дел на заводе в Наре, сказали, что после того, как перешли на другие головы (ПЛМ Нара), провели ряд переработок, но конкурировать с китайцами сил не хватило, законсервировали всё. Действительно, дейдвуд со стороны редуктора изменился, поршни-кольца - другие, литьё стартера другое, плоскость разъёма картера другая, резиновая крыльчатка помпы, ещё что-то говорили, но сам в руках не держал. Специально спросил о редукторе - как он себя вёл на более мощном моторе (в два с лишнем раза) -его они ставили без доработок. Ответ - нареканий по рекламации не было.
Теперь чуточку о своём. Выше писал о желании попробовать поставить винт QUIK SILVER 20B. Достался он по-дешевке, слегка покоцанный, но несмотря на это гробить его желания нет. а переделывать его для установки на Салют надо. Растачить, завтулить, обрезать центральную часть, наверняка подпиливать лопасти (похоже, что даже после всех моих переделок силёнок будет не хватать). На двух последних снимках уже несколько "облагороженный" винт. Два последних вечера потратил на шмурыганье напильниками и наждачькой. Пока не до полировки. Выточил втулочку по диаметру посадки родного винта и при помощи Hi-Gear ской холодной сварки придал некую конусность родному винту. Та часть корпуса, что выше холодной сварки будет обрезаться, лопасти подгоняться по плоскостям. Пока шмурыгал напильниками выводя плоскости, пришел к однозначному выводу - самому, без образца, сделать ДОСТОЙНЫЙ винт весьма-весьма проблематично! Пока на моём заводе застой - 3/4 в отпусках, а 1/4 загружена так, что не до меня, попробую из чего-нибудь отлить винт как на снимках, его пилить, доводить, пробовать, а потом, если он "пойдет", отлить из бронзы (как родной, тяжелый) или из титана. Вот, как-то так. Жаль, что ни кто не хочет на достойном уровне пообсуждать технические аспекты моих работ.
 

Вкладення

  •  Салют 1.webp
    Салют 1.webp
    81.4 КБ · Перегляди: 1104
  •  Салют 2.webp
    Салют 2.webp
    86 КБ · Перегляди: 1069
  • IMG_7363.webp
    IMG_7363.webp
    30.5 КБ · Перегляди: 297
  • IMG_7364.webp
    IMG_7364.webp
    36.8 КБ · Перегляди: 316
Пётр_51 сказав(ла):
Пётр_51 сказав(ла):
В ответ на ваше сообщение #60812488
Доброго времени всем! Петр, такое впечатление, что на суше, т.е. на форуме, бываем только мы с Вами, все остальные расплылись на своих Салютах кто куда.
 
Доброго времени! Если бы расплылись на своих Салютах, можно было бы за них порадоваться... а то ведь поразъехались на заработки кто в РФ, кто в ЕС, ну а те кто забыли кто они и откуда избрали свой, иногда безвозвратный путь.Но не буду о горьком и печальном, поскольку в мои 66, и с моим здоровьем осталось только наблюдать.
Касаемо чертежа Салюта с механизмом разобщения винта и вала двигателя, то при наличии подробных чертежей с указанием размеров, марок металлов вполне решаемо, хотя и не дёшево. Идеальный вариант - это купить заводской комплект, если таковые бывают в продаже. Пока ещё мой Салютик меня не подводит, Вы могли его видеть на 103-й стр. пост 2053. По поводу попробовать поставить винт QUIK SILVER 20B - а вообще известны его характеристики? <<сделать ДОСТОЙНЫЙ винт весьма-весьма проблематично>> - я далеко не технарь, хотя и люблю "порукоблудить" с гаечными ключами - так вот может попробовать изготовить втулку винта с поворотными лопастями, где методом втыка выбрать оптималый угол(шаг), при котором будет устраивать и скорость и тяговая сила? Удачи в поиске решений.[/QUOTE][/QUOTE]
 
Петр, чертежей конечно ни каких, кроме этих картинок, нет. Кто-то, когда-то прислал в журнал.... Сложностей там ни каких нет, но всё равно гимор и большой надобности нет. По винту не смог найти в нете ни чего. Думал о винте мультипич (регулируемый шаг)-достаточно сложно, а самое главное-для нашей мощности, а исходя из нее - размеров винта мало актуально. Дело в том, что при почти любом способе (механизме) поворотного крепления лопасти к центральной втулке, её (втулки) размеры здорово увеличиваются. По внешнему диаметру винт ограничивается газоотводным приливом дейдвуда. Результат - уменьшение эффективной площади винта.
По Quik Silver- тоже достаточно сложно даже пробовать. Я писал, что не хочу портить этот винт, поэтому долепив на него холодную сварку первым делом придал форму подходящую для салютовского крепления. Делаю с него резинку (заливаю какой-нибудь пластичной полимерной гадостью), разрезаю, вынимаю винт и в полость полностью повторяющую винт заливаю полимер, который затвердивает. Резинка разделяется и в руках пластмассовый винт. Плыть на нем нельзя, но доработать до нужной геометрии можно легко. А уже с пластмассового примерно такой же технологией отливаем металлический.
"все на заработках...." - ну, коль мы одни (пенсионеры) остались, будем общаться друг с другом....
 

Вкладення

  • vint-multipitch 1.webp
    vint-multipitch 1.webp
    42.3 КБ · Перегляди: 312
  • vint-multipitch-2.webp
    vint-multipitch-2.webp
    64.9 КБ · Перегляди: 324
А уже с пластмассового примерно такой же технологией отливаем металлический.
- И пусть он превзойдёт бариновский!
ну, коль мы одни (пенсионеры) остались, будем общаться друг с другом....
- На том и порешили...
 
Здравствуйте пенсионери,от пенсионера.Вы решили реобилитировать даное чудо,дело не благодарное,поверте что только я не делал сэтим мотором оно серавно как подлий засранец нет-нет да и подведет.Это конечно разговори занятся чемто надо,да и только всего, с винтом я очен много тренеровался скажу одно для меня оказался не по зубам и вернулся к родному винту, если у вас получится то я сфотографирую.
 
Уважаемый Sharof, Ваши попытки сделать свой экспериментальный винт наверняка сводились к работе с листовыми заготовками, во всяком случае это самый доступный в домашних условиях способ. Он же самый не эффективный в плане получаемого результата. Когда приводил "в порядок" Quick столкнулся со сложностью профиля лопатки - мне в ручную такую не вывести, тем более две одинаковые. Даже на моём "фирменном" винте лопасти оказались несколько не симметричны. Выгнул из латуни 0.3мм шаблон по тыльной стороне винта, приложил к второй лопасти - не совпадает. При максимальной разнице в длинах лопастей : 94.91-94,65=0,26мм, разница по высоте от ступицы-по низу равна- 1.5мм, по верху-3.6мм. Вот вам и американский винт!
 
Форумчане, нужен коллективный разум! Собственного не хватает. Поскольку все черновые работы по новому КВ и шатуну закончены, перехожу к калке. Чистовая расточка отверстий КВ после закаливания до 48-50 HRC вполне возможна, затем подгоняюся радиуса голтелей НГШ, чтобы не задевали кромки КВ. Затем калка шатуна. Наличие роликов в ВГШ и в НГШ обязывает калить до не менее 62-64HRC.
Вопрос: надо ли подкаливать ножку шатуна или оставить сырой?
Перерыл кучу инфы и до конца не разобрался в посадке нижнего пальца шатуна в щеки КВ. Посадка ПРЕССОВАЯ, сколько соток делать для прессовой посадки- 0,03 для двухтонного домкрата или 0.09 для десятитонного?
Следующий вопрос: диаметр родного пальца НГШ 14,390мм, диаметр родных роликов 2.490мм, тогда: 14,39+2х2,49=19,37мм. Диаметр отв. НГШ =19,38, т.е. зазор = 0.01мм. При таком зазоре люфт шатуна на противоположенном диаметре КВ составляет 0.7мм! Для меня это очень много! Нашел у себя старую книжку по ремонту Явы, там зазор 0.004мм. Правильно ли понимаю, что надо оставить минимальный гарантированный ТЕПЛОВОЙ зазор?
 
Я взял за образец винт баринова и изготовил копию это не сложно а винт оказался тяжеловатим, если мотор подношений завести тяжко,заводиль, винт в воздухе а потом опускал в воду а насчет калить ножку шатуна,мне кажется что надо лехко подкалить чтоб ано не лопалос пополам и было крепкой автомобылние знаю что не каление.
насчет теплового зазора вы руководствуйте с тем что имеете лучшего вам никто не посоветует в любом случае тепловие зазори 2тактников почти везде одинаковие.
 
Вот Вы мне все скажите...были за годы вопросы...испытания в бочках ну и другое...А кто то на Салюте при его родных характеристиках ,не считая замены родного карба на к-60?Замены крыльчатки на Ветерок и постановы нового МБ-1 и сальника в нижней части дрейвуда +Бариновский винт- отъездил системно по рыбалке хоть сезон!??
Тут что любители теор меха объеднались? Тут уж прочитал стр 20 дальше нет сил...Что с мотором этим? не пойму..на ОЛХ в том году купил и че пашет и понтно не 5 л.с но работает... После рыбалки на сухую с помпы выдавил лишок воды и в багажник.Че еще надо?

сезон откатал без нареканий но после доработок ездит быстрее и лучше стартует
 
Есть запчасти бу от Салюта . Нога коленвал и всякая мелочёвка. картера случайно пропилил насквозь ,когда вставлял усиленные шпильки целиндра ,но вполне можно заварить аргоном.Также есть рабочий салют . и 3х лопостной винт ,самопал.
 
⚠ Тільки зареєстровані користувачі бачать весь контент та не бачать рекламу.
 
добрый вечер ребят может кто подскажет номера подшипников и сальников установленные на салюте
 
Подскажите, колинвалы нового мотора Салют Э и старого мотора Салют с кулачковым зажиганием одинаковые (взаимозаменяемые) или нет?
 
Всмем привет. Доработал колрпус помпы по известной технологии плфюс облагородил от приливов все каналы и заход .Реально забыл про воду.Качает шо глухонемая. Но образовалась другая проблема.У меня стоял краник от мопеда с отстойником.Подтягивал гайку и свернул ему шею .теперь есть только краник и отстойник отдельно.Может кто подсоветует от какой нибудь китаезовской техники что то подобное не габаритое.
 
Добрый день,Господа салютоводы.Давненько не посещал данный форум,но мало-помалу он живет и это радует...Хотел обратиться к специалистам по ремонту данного моторчика,имею мотор 7-ого месяца 68-ого года,зажигание контактное и т. д..Было проведено много времени и работ с данным мотором,но так сказать нормальной работы я от него не добился(то заводится то не заводится,номинальные стабильные обороты набирать и держать не хочет,менял карбюраторы,катушки,проточил цилиндр компрессия вроде не плохая,переделывал охлаждение и т.д.)вопрос,может ли кто взяться за ремонт и сделать,что бы мотор работал как положено и стабильно(у нас в Черкассах за него никто не хочет браться и я понимаю,так как поковыраться с ним нужно еще и любить...),если да,пишите в личку все обсудим.Вариант второй,могу продать кому-то на запчасти за вменяемые деньги(мотор в сборе плюс 3-х лопастной винт,кому интересно фото и полное описание скину в личку).Найдутся специалисты по ремонту напишите,заранее всем благодарен.
 
То же после разных вариантов оказался лишним мотор Салют 2.5 . Крыльчатка от " Ветерка" карб К-60.Продал бы .
 

Вкладення

  •  и родпод 001.webp
    и родпод 001.webp
    68.1 КБ · Перегляди: 201
  •  и родпод 010.webp
    и родпод 010.webp
    27.9 КБ · Перегляди: 195
  •  и родпод 005.webp
    и родпод 005.webp
    80.9 КБ · Перегляди: 216
Пришла пора и мне со своим Салютом расстаться. Его фото разместил когда-то на 103 странице.
 
Назад
Зверху Знизу