Перегляньте відео нижче, щоб дізнатися, як встановити наш сайт як веб-програму на головному екрані.
Замітка: This feature may not be available in some browsers.
З.Ы. Кто желает поржать, можете почитать, рекомендую.
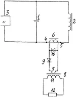
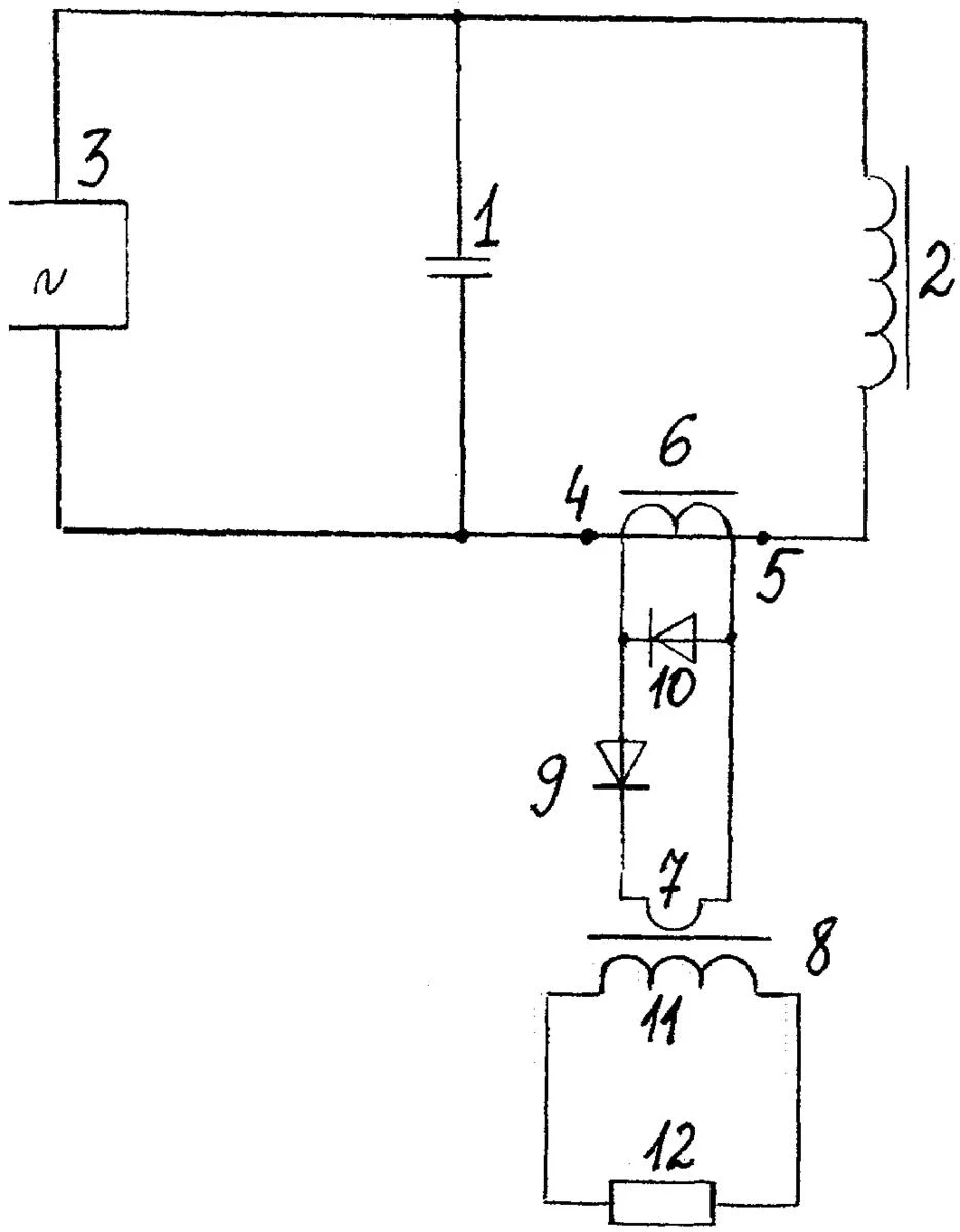
Почитал: "Таким образом, нагрузка получает питание, по форме в виде пилообразных импульсов, а ток, потребляемый из сети- почти синусоидальный, только его аппроксимирующая функция опережает по фазе напряжение. "
Феерический песец. Я бы выкинул четыре тиристора и два конденсатора в их цепи, шоб потери уменьшить и форму не искажать.
Теперь понятно почему в кино так трансформатор в серой коробке колбасит.
Раньше знал только один случай, когда причина идет впереди следствия, теперь знаю два.
Как в сссре авторское свидетельство получали я знаю, думаю, сейчас патент получить еще проще. Поэтому задам риторический вопрос на вашем уровне:"Шо ж он такой бедный(судя по кино) если такой умный?".В трансформаторе Степанова ..... вообще другой принцип работы, вот его патенты и схема если интересно:
, на трансформатор, у которого вторичная обмотка, не влияет на первичную обмотку

Как в сссре авторское свидетельство получали я знаю, думаю, сейчас патент получить еще проще. Поэтому задам риторический вопрос на вашем уровне:"Шо ж он такой бедный(судя по кино) если такой умный?".
Создателя генератора( скромняга называет его усилителем) с КПД в 1100%, как минимум, нобелевская премия ждет
К слову, в приведенном патенте рф нет ни слова об усилении мощности. Там речь о другом и с демонстрацией кипящих чайников, горячих утюгов и светящихся лампочек ничего общего не имеет.
"Вторичная обмотка должна быть удалена не менее чем на величину магнитной индукции в центре нее" - как вам перл в "патенте РФ", на трансформатор, у которого вторичная обмотка, не влияет на первичную обмотку
Теперь понятно, почему ракеты, разработанные в РФ - не летают![]()
А когда я узнаю, что отпускная цена киловатта электроэнергии с атомной станции 2 коп, а мне она дома достаётся по 25, в гараже по 40, а про производство я вообще молчу, то мысли разные в голову лезут, слова плохие...
Детская непосредственность, не знал, что житель германии становиться богатым по определению. Пойди у родителей спроси, что такое риторика и что значит выражение:"вопрос риторический"Почему он бедный? Он уже больше двух лет живет в Германии,
Это признание факта отсутствия других доказательств?если хоть одному изобретатель дать Нобелевскую премию, то это было бы признание существование свободной энергии.
Конечно, будут ставить гудящие собачьи будки от вашего гуру и периодически выходить на прогулку и, заодно, постучать кулаком по генератору случайной, тьфу, свободной энергии, шоб своим гулом и дребезгом не мешал мыслить о вечном...Германия к 2022 году остановит свои АЭС, и как они бедные там жить будут? Наверное будут ветряки и солнечные батареи ставить?
Детская непосредственность, не знал, что житель германии становиться богатым по определению. Пойди у родителей спроси, что такое риторика и что значит выражение:"вопрос риторический"
Это признание факта отсутствия других доказательств?
Конечно, будут ставить гудящие собачьи будки от вашего гуру и периодически выходить на прогулку и, заодно, постучать кулаком по генератору случайной, тьфу, свободной энергии, шоб своим гулом и дребезгом не мешал мыслить о вечном...
Есть люди, готовые во имя некой туманной идеи порвать весь мир, с патетическим жаром обличая несогласных. При этом, врождённая гениальность мешает им сделать нормальные обыденные вещи. Скажем, убрать за собой. В данном случае нормально удалить тему.В связи с дискредитацией "свободной энергии".....


Вы просто не довели дело до конца. Открою страшную тайну - в телефоне есть тринадцатая кнопка. Она прячется под трубкой.нажал все 12 кнопок (*1234567890#), но связаться с ним не смог.

Мда...Если бы кто на опыте опробывал этот аппарат..
Разводнякя использовал подобное. ставится дома. позволяет сократить энергопотребление от общей сети 220в на величину до ~50%, в зависимости от качества исполнения прибора. если интересует, отпишу подробнее.
LtCaS9Pi7kI
) и завершает это все дело кондер на 450В 220Мкф. 
310 ))))кратковременное 220 обеспечено.
кондер на 450В 220Мкф.