Статус: Офлайн
Реєстрація: 04.03.2009
Повідом.: 122
Реєстрація: 04.03.2009
Повідом.: 122
Midi USB конвертер
Выкладываю простейшую и дешевую реализацию конвертера Midi USB.
Для этого нам понадобится USB-UART конвертер с поддержкой нестандартных скоростей. А именно 31250 бод/сек.
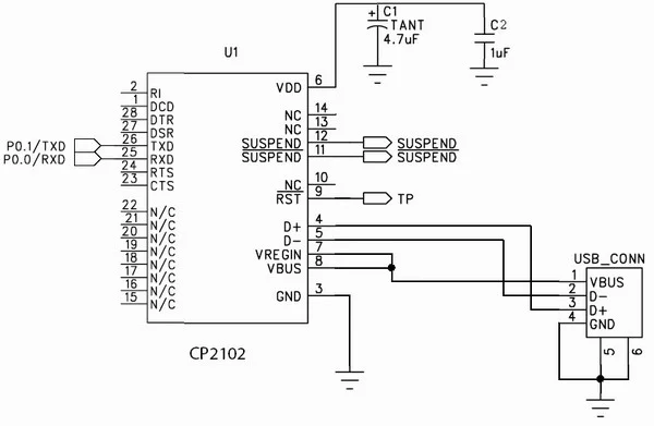
Лично я выбрал для этих целей чип CP2102:
врезультате получается эдакое (у меня чуточку по-другому):
Пол дела мы сделали.
Далее нам нужен преобразователь с оптронной развязкой для Gameport:
Так как нам нужен только сигнал с миди клавиатуры или контроллера, вывод номер 25 на CP2102 мы замыкаем на pin15 разъема gameport, gnd(землю) на pin5 и Vcc(+) на pin8 для питания переходника на gameport от USB.
Если у кого завалялся такой переходник - просто припаивайте нужные провода исходя из вышеописанного.
Адаптер готов.
- здесь скачиваем драйверы VCP(Virtual Com Port) и устанавливаем их.
Далее подключаем собранное устройство(в Диспетчере устройств должен появится раздел Com порты и там номер Вашего виртуального серийного порта - у меня, например COM3) и запускаем утилиту конфигурации BAUDRATE:
Двойной щечлек на строку со скоростью 38400. В открывшемся окне вписываем число 31250 и ОК. Далее - кнопочку Set Configuration.
Вот теперь можно работать с написанной мною программой-конвертором.
Программа требует .Net Framework 2.0 и Visual C++ Redistributable 2005 (
) и если в Висте или Семерке выскочит ошибка - установить это
.
Также нужно установить Midi Yoke(бесплатные виртуальные миди порты) -
.
Скачиваем мою программу:
или
или
.
В ней нажимаем Refresh, далее выбираем СОМ и миди порт. Если у вас преобразователь предназначен для клавиши YAMAHA с выходом для СОМ порта, можно брать обычный серийный порт и в программе ставить галочку Baud Rate 38400.
Нажимаем Start, видим как мигает индикатор Running и наслаждаемся. При сворачивании сворачивается в трэй. Вызывается оттуда контекстным меню или двойным щелчком.
vopros-otvet1990@****** мой е-мэйл.
Исходный код для Visual C++ могу выслать на почту кому нужно.
Выкладываю простейшую и дешевую реализацию конвертера Midi USB.
Для этого нам понадобится USB-UART конвертер с поддержкой нестандартных скоростей. А именно 31250 бод/сек.
Лично я выбрал для этих целей чип CP2102:
врезультате получается эдакое (у меня чуточку по-другому):
Пол дела мы сделали.
Далее нам нужен преобразователь с оптронной развязкой для Gameport:
Так как нам нужен только сигнал с миди клавиатуры или контроллера, вывод номер 25 на CP2102 мы замыкаем на pin15 разъема gameport, gnd(землю) на pin5 и Vcc(+) на pin8 для питания переходника на gameport от USB.
Если у кого завалялся такой переходник - просто припаивайте нужные провода исходя из вышеописанного.
Адаптер готов.
⚠ Тільки зареєстровані користувачі бачать весь контент та не бачать рекламу.
Далее подключаем собранное устройство(в Диспетчере устройств должен появится раздел Com порты и там номер Вашего виртуального серийного порта - у меня, например COM3) и запускаем утилиту конфигурации BAUDRATE:
⚠ Тільки зареєстровані користувачі бачать весь контент та не бачать рекламу.
Двойной щечлек на строку со скоростью 38400. В открывшемся окне вписываем число 31250 и ОК. Далее - кнопочку Set Configuration.
Вот теперь можно работать с написанной мною программой-конвертором.
Программа требует .Net Framework 2.0 и Visual C++ Redistributable 2005 (
⚠ Тільки зареєстровані користувачі бачать весь контент та не бачать рекламу.
⚠ Тільки зареєстровані користувачі бачать весь контент та не бачать рекламу.
Также нужно установить Midi Yoke(бесплатные виртуальные миди порты) -
⚠ Тільки зареєстровані користувачі бачать весь контент та не бачать рекламу.
Скачиваем мою программу:
⚠ Тільки зареєстровані користувачі бачать весь контент та не бачать рекламу.
⚠ Тільки зареєстровані користувачі бачать весь контент та не бачать рекламу.
⚠ Тільки зареєстровані користувачі бачать весь контент та не бачать рекламу.
В ней нажимаем Refresh, далее выбираем СОМ и миди порт. Если у вас преобразователь предназначен для клавиши YAMAHA с выходом для СОМ порта, можно брать обычный серийный порт и в программе ставить галочку Baud Rate 38400.
Нажимаем Start, видим как мигает индикатор Running и наслаждаемся. При сворачивании сворачивается в трэй. Вызывается оттуда контекстным меню или двойным щелчком.
vopros-otvet1990@****** мой е-мэйл.
Исходный код для Visual C++ могу выслать на почту кому нужно.
Останнє редагування:
