Перегляньте відео нижче, щоб дізнатися, як встановити наш сайт як веб-програму на головному екрані.
Замітка: This feature may not be available in some browsers.
Прекрасно понимаю. Именно поэтому импульсный БП лабораторным быть никак не может. Регулируемым - сколько угодно.
Последняя ссылка - как раз попытка спроектировать двухступенчатый импульсно-линейный лабораторный БП.
И не хамите, вьюнош, старперу - я ведь тоже могу...

Я же ссылку давал! Пост № 200.
Если желаете - доведите до "железа". Я помогу. Просто времени уже нет на "побочные" проекты.
На эту тему есть вариантыА если для себя, любимого?![]()

В голову не укладывается: как можно что-то начинать делать или переделывать, нифига не понимая основополагающих принципов работы ЭТОГО... При том еще и пуская пузыри и расставляя пальцы веером.
⚠ Тільки зареєстровані користувачі бачать весь контент та не бачать рекламу.
⚠ Тільки зареєстровані користувачі бачать весь контент та не бачать рекламу.
⚠ Тільки зареєстровані користувачі бачать весь контент та не бачать рекламу.
И ведь работает!
А вот этодо "железа" так и не довел.⚠ Тільки зареєстровані користувачі бачать весь контент та не бачать рекламу.

И что, все 4268 вот такие же? Нехило!Сообщений: 4,268
LOL![]()
Последняя ссылка - как раз попытка спроектировать двухступенчатый импульсно-линейный лабораторный БП.
Он же сказал "попытка", о том что она удачная никто не говорилНа КРЕНках, ага, лабараторник, угумс

Пёрднул громко. Молодец. Ибо солгал выборочным цитированием схем. А именно, показана схема только импульсной части, без линейной. Линейная - в теме дальше. И КРЕН-ка всего лишь стабилизирует питание ОУ, на которых построена эта линейная часть.На КРЕНках, ага, лабараторник...
Повторяю еще раз и ме-е-е-едленно: "мозги" питаются напряжением, снимаемым ДО дросселя. По амплитуде оно будет ВСЕГДА 24 В, независимо от скважности импульсов....мозги питает выходное, как по вашей версии это регулировать.
Все руки не доходят, склоняюсь к двум вариантам: от Ридико и от koyodzaНа эту тему есть варианты![]()
Очень просто, как я.. Купил радиокит ,,лабораторный блок питания,, запаял платку заработало, потом нашел схемку цифрового вольтамперметра на тини13, нарисовал вытравил заработало, оба девайса работают, вроде дружат,..осталось достать транс...на 220в\40в 200вт.В голову не укладывается: как можно что-то начинать делать или переделывать, нифига не понимая основополагающих принципов работы ЭТОГО

Тут не соглашусь, во всяком случае в частном случае. Тоже пытался туда подключиться, но не хватало ему. Выставил на БП 1В и замерил напряжение до дросселя через диод. 2В. А показометр начинает просыпаться только когда ему 9В подашь. В итоге показометр включался только когда я в БП ручку до 15В накручивал. Это из практики. Да и когда ток в ноль выкручиваю, то даже напряжение которое минимум 1В всегда, падает до нуля. Конечно можно последовательно резистор добавить на несколько Ом, чтобы ток нельзя было в 0 убирать, но мне проще запитать от имеющейся дежурки. К тому же еще нужно кормить вентилятор, а это еще 3-4Вт.Тем же концом по тому же месту. Имею в виду полное незнание принципов работы. Напряжением ДО дросселя.
Всем привет! Смотрю тема не утонула.
Собственно, как ТС, зашел немного отчитаться.
Спустя 2 года, я таки собрал себе регулируемый БП из АТХ. Регулируемый, потому что как правильно заметил falconist, импульсник - это не лабораторный блок питания без линейной ступени.
Внял совету в начале темы и читал, читал и еще раз читал. про импульсники в целом и АТХ в частности. Начитался и статей и форумов.
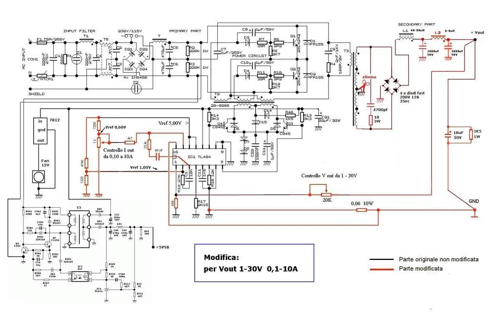
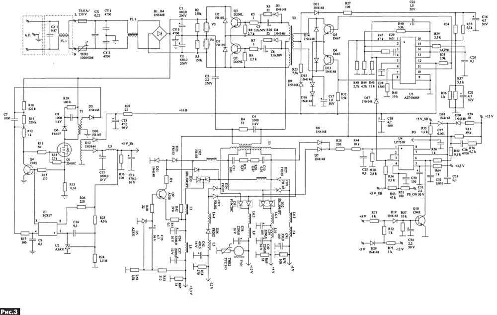
Правда БП с которого началась тема я использовал в другом месте, и начал тренироваться на кодегене (щас работает в качестве драйвреа в проекторе), а потом уже переделал Casecom CM450. Переделывал по схеме итальянца, с мостовым выпрямителем. Максимальное напряжение 40В, ток пока до 10А. Диоды стоят на 40А, так что при желании заменив пару резисторов в делителе можно будет ток поднять до 20А. Но пока поюзаю так, может такой надобности и вовсе не будет.
В качестве показометра использовал VAM9020.
Регулировка тока и напряжения двумя 10 оборотными проволочными резисторами.
Кулер оставил родной 120мм.
Уже даже товарищу переделывал БП без схемы, в общем правду говорили, что любой БП на TL494 можно переделать и без схемы
Схема донора (только в моем емкости на входе побольше и диодные сборки мощнее были некоторые). Схема итальянца. Фото самого БП на выходе.
Спасибо всем кто помог, ну или пытался помочь.
Тут не соглашусь, во всяком случае в частном случае. Тоже пытался туда подключиться, но не хватало ему. Выставил на БП 1В и замерил напряжение до дросселя через диод. 2В. А показометр начинает просыпаться только когда ему 9В подашь. В итоге показометр включался только когда я в БП ручку до 15В накручивал. Это из практики. Да и когда ток в ноль выкручиваю, то даже напряжение которое минимум 1В всегда, падает до нуля. Конечно можно последовательно резистор добавить на несколько Ом, чтобы ток нельзя было в 0 убирать, но мне проще запитать от имеющейся дежурки. К тому же еще нужно кормить вентилятор, а это еще 3-4Вт.
У меня даже в дежурочке всего 12.5В, оттуда и запитал его.
Для зарядного не спорю, там напряжение никогда не опускается ниже определенного порога, там дежурка только в тягость как наиболее часто выходящая из строя часть БП.
Прекрасно понимаю. Именно поэтому импульсный БП лабораторным быть никак не может. Регулируемым - сколько угодно.
Последняя ссылка - как раз попытка спроектировать двухступенчатый импульсно-линейный лабораторный БП.