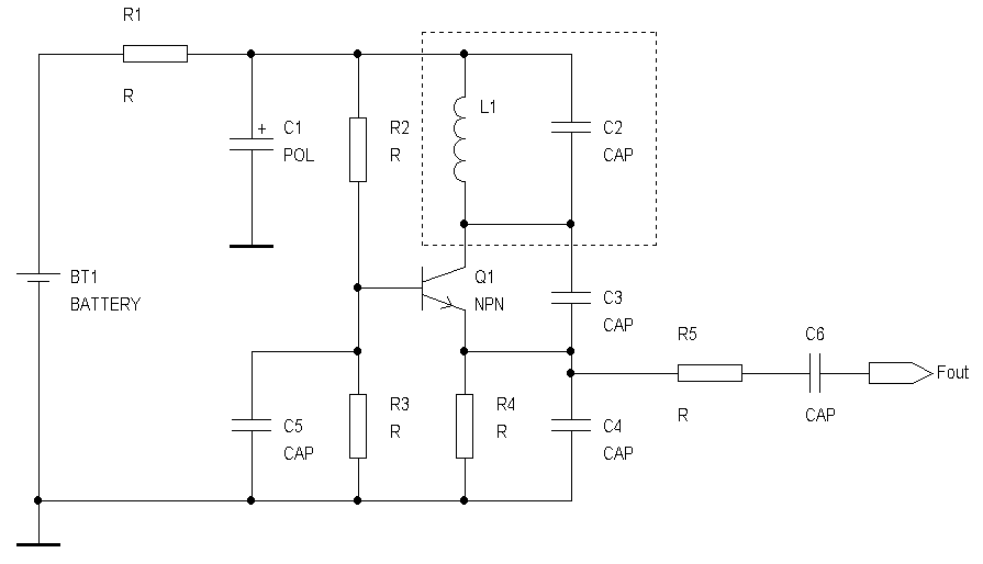
Что бы это значило?..
То, что это какая-то своеобразная разновидность генератора Колпитца, уже почти не сомневаюсь. А вот какая разновидность включения транзистора — озадачился. В известных мне расчётках именно такая схема не рассматривается. (Моя версия — скорее всего, с ОБ.)
Возникла потребность пересчитать эту схему под новый транзистор и несколько изменить частоту.
Какие у почтенной публики будут мысли?
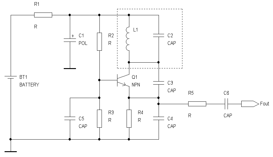
То, что это какая-то своеобразная разновидность генератора Колпитца, уже почти не сомневаюсь. А вот какая разновидность включения транзистора — озадачился. В известных мне расчётках именно такая схема не рассматривается. (Моя версия — скорее всего, с ОБ.)
Возникла потребность пересчитать эту схему под новый транзистор и несколько изменить частоту.
Какие у почтенной публики будут мысли?
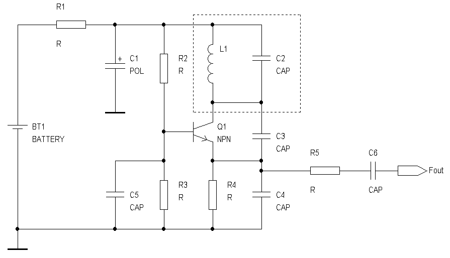
В английской, как всегда четко и по делу.

