Змінюй хід війни! Допомагай ЗСУ!

Делаем "народную" ЦАПу

  • Автор теми Автор теми PCB21
  • Дата створення Дата створення

Какой ЦАП Вам нужен?


  • Кількість людей, що взяли участь в опитувані
    93
Серег, давайте ЦАП проектировать таки... Только ОУ , раз он народный, возьмем NE5532. Окей?

Какой ЦАП берем? Мне начинать рисовать модель в Протеусе?

NE5532 в общем-то применим, только сам ОУ очень уж народный и тру хай энда с ним не будет. Вполне приличный звук - да. Вообще мыльноватый он довольно, хотя звук комфортный. Его юзать думаю не будем.

Что значит какой цап берем? Топик хоть прочитали бы для начала (первый пост, с него все началось). Вообще, чтобы начать что-то проектировать и рисовать, нужно затратить на подготовку кучу времени, на поиски оптимальных путей, путей для звука. Иначе будет 80-90% лажа.

Да :клас:
 
:D Ну, тогда конечно, тогда ищите. :D
 
Серег, давайте ЦАП проектировать таки... Только ОУ , раз он народный, возьмем NE5532. Окей?

Какой ЦАП берем? Мне начинать рисовать модель в Протеусе?

Я на микрофонник TL074 поставил себе. Так и не смог понять хорош ли он - наводки на кабеле совершенно ****атические (с моей, конечно же, точки зрения). Так, чтобы убрать вообще - не получилось.
Если ноут переводить на батареи - ещё более/менее, но всё равно какая-то падла подсирает каким-то шумом.
Причем - с кем через скайп трещу - говорят, что фона нет. А с моей стороны - есть.
Возможно призвезденая звуковуха свои песни добавляет...

Вот шо с ним делать?
Уже и батарейное питание ему сделал с честной средней точкой - ну да, значительно краще...

Видать придётся извращаться в схемотехнике.
 
Я на микрофонник TL074 поставил себе. Так и не смог понять хорош ли он - наводки на кабеле совершенно ****атические (с моей, конечно же, точки зрения). Так, чтобы убрать вообще - не получилось.
Если ноут переводить на батареи - ещё более/менее, но всё равно какая-то падла подсирает каким-то шумом.
Причем - с кем через скайп трещу - говорят, что фона нет. А с моей стороны - есть.
Возможно призвезденая звуковуха свои песни добавляет...

Вот шо с ним делать?
Уже и батарейное питание ему сделал с честной средней точкой - ну да, значительно краще...

Видать придётся извращаться в схемотехнике.

А правда, давайте лучше о бабах!
****** он уже есть, ***** та цапа нужна?
На то он и харьковфорум...
 
Вот шо с ним делать?
Уже и батарейное питание ему сделал с честной средней точкой - ну да, значительно краще...

Видать придётся извращаться в схемотехнике.

балансный вход ему сделай и микрофон правильно подключи. у меня тут под передатчиками микрофоны на кабелях по 10 метров работают - и ничо. правда, преамп на SSM2019
 
мысли вслух:
о блин, я в измерительную технику ставил тл072, теперь меня закидают помидорками.
 
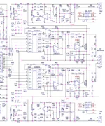
Ну так что. Надо начинать :) Линк 7 вроде как подходит за базу. Предлагаю оставить возможность установки Buf03, но предложить альтернативу в базовый вариант. ISO150 можно тоже оставить с возможностью установки перемычек. Вообще они не такие дорогие. После преобразователей сделать дополнительные выводы/контакты, чтобы можно было и другой выхлоп опробовать позже. Саша, ты будешь обеспечивать трассировку сего девайса? :) Тогда очень прошу создать как-то это все модульно. Дополнительно можно обговорить. Чтобы потом можно было создать входной селектор. Нужен балансный цифровой вход (AES), коаксиал (RCA/BNC), оптика, опционально предусмотреть установку USB. Народный в моем понимании это именно возможность выбора опций. Нужны ISO – ставишь, нет – перемычки и так далее. Идею именно модульности преобразователей отклоняю. База – AD1862 и все, смысл пробовать что-то другое если это и так лучшее.
 
может хватит по именам, мы все в курсе как кого зовут, раздражает.
 
Юрий, это тоже решать уже владельцу конструктора. Базу затачиваем на простые емкости. Есть желание и возможность поставить лучше – пожалуйста. ;)

Да БГ уже и не достанешь, все кто хихикает здесь о мундорфах и представления не имеет. А ставить... уж кто во что гаразд. У Рыси есть рекомендации куда чего, можно взять за точку отсчета.
 
А правда, давайте лучше о бабах!
****** он уже есть, ***** та цапа нужна?
На то он и харьковфорум...

То есть рассуждения про ОУ у тебя уже к цапе не относятся? Ты с него будешь в виде святого духа звук снимать? Ню ню...

балансный вход ему сделай и микрофон правильно подключи. у меня тут под передатчиками микрофоны на кабелях по 10 метров работают - и ничо. правда, преамп на SSM2019

Шо значит "правильно"?? Микрофон как микрофон... Как его можно неправильно включить?
 
То есть рассуждения про ОУ у тебя уже к цапе не относятся? Ты с него будешь в виде святого духа звук снимать? Ню ню...

Под большинство ОУ разводка платы - одна и та же, чего их сейчас обсуждать?

Давайте тогда сетевой кабель обсудим уже :)
 
Кстати, желающие создать цап! Контруктив предлагаю согласовать. Для чего? Все кто захочет сделать этот цап помогу с изготовление отличных корпусов, действительно заводского уровня. Можно использовать современное исполнение или например можно создать в классическом стиле+модерн. Изготавливается из экзотических пород дерева (на выбор).

Найти или изготовить настолько качественный корпус очень непросто в Украине, поиски занимают значительное время и не только поиски. Поэтому рекомендую. Предложение касается только желающих изготовить этот дак. Уже собрать вещь на долгое время.

Пример корпусов:
 
Останнє редагування:
Линк 7 вроде как подходит за базу. Предлагаю оставить возможность установки Buf03, но предложить альтернативу в базовый вариант. ISO150 можно тоже оставить с возможностью установки перемычек. Вообще они не такие дорогие. После преобразователей сделать дополнительные выводы/контакты, чтобы можно было и другой выхлоп опробовать позже.

Рекомендую посмотреть схемы "выхлопов" и двух других проектов Рыся на 1862 (линки на ПДФы - в 53 сообщении).

.
 

Вкладення

  • 7v3_.webp
    7v3_.webp
    144.4 КБ · Перегляди: 199
  • 35_.gif
    35_.gif
    124.8 КБ · Перегляди: 203
Под большинство ОУ разводка платы - одна и та же, чего их сейчас обсуждать?

цап есть, схема под оу есть, выходные каскады есть, блок питания "стандартный по наработанной схеме". теперь всё сведется к выбору золотых разъемов, германиевых крышек на унитаз и мраморных плит под колонку.
всегда нравились такие треды :yahoo:
 
Появлялась у меня дикая мысль : может есть смысл поговорить с Рысем, не захочет ли он продать по спец.цене оптовую партию уже зашитых ПЛИСок отдельно, но есть более чем 50% вероятность антигуманной цены и/или эротической прогулки :D
 
Назад
Зверху Знизу