Шум ЦАПа.
Доброго вечора!
Есть портативный (в дорогу) ЦАП. Был приобретён по почте у китайских братьев. ЦАП бюджетный (на дорогой пока «нэту») XuanZu U603. Сам ЦАП WM8740 ОУ OPA2107. Работает по OTG USB со смартфоном. В принципе всё нормально (как по удобству так и по звуку) если не быть «придирой аудиофилом» или дирижёром симфонического оркестра (коим я не являюсь). Как по мне всё хорошо. Но! Есть одно «но». На больших уровнях громкости (это когда наушники на ушах «подпрыгивают») люблю послушать иногда на такой громкости что-нибудь. В паузах между аудио треками слышен вроде как цифровой шум. Такой как комаринный. Повторюсь. Именно в паузах между треками на больших уровнях громкости. Во время проигрывания трека его не слышно (разница уровней звука и этого шума большая). При нормальном прослушивании (нормальный уровень громкости) его в паузах не слышно (разница сигнал-шум тоже достаточная). Можно конечно не придираться. Но! Всегда хочеться лучшего! Схемы конечно в интернете не найти. Обращался к китайским братьям (продавцам) - безрезультатно. Смотрел по даташитам на схемы реализации ЦАПа кое что «накопал» как варианты «борьбы» с этим шумом. Сейчас возможности залезть в ЦАП с паяльником нет (в мастерской уже холодно, практическую сторону откладываю до тепла). Может кто то сталкивался с таким явлением. Знает что можно предпринять. Поможет советом.
Попробую прикрепить файлы с этим шумом. Формат FLAC 24bit 44,1kHz (c 1 по 5 секунду шум аналогового тракта ОУ, с 5 секунды включается аудиотрек (пауза перед аудиотреком) и слышен этот шум). И изображение этого шума с аудасити.
Звуковой файл не могу, не знаю как прикрепить.
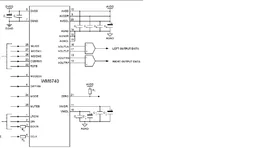
Доброго вечора!
Есть портативный (в дорогу) ЦАП. Был приобретён по почте у китайских братьев. ЦАП бюджетный (на дорогой пока «нэту») XuanZu U603. Сам ЦАП WM8740 ОУ OPA2107. Работает по OTG USB со смартфоном. В принципе всё нормально (как по удобству так и по звуку) если не быть «придирой аудиофилом» или дирижёром симфонического оркестра (коим я не являюсь). Как по мне всё хорошо. Но! Есть одно «но». На больших уровнях громкости (это когда наушники на ушах «подпрыгивают») люблю послушать иногда на такой громкости что-нибудь. В паузах между аудио треками слышен вроде как цифровой шум. Такой как комаринный. Повторюсь. Именно в паузах между треками на больших уровнях громкости. Во время проигрывания трека его не слышно (разница уровней звука и этого шума большая). При нормальном прослушивании (нормальный уровень громкости) его в паузах не слышно (разница сигнал-шум тоже достаточная). Можно конечно не придираться. Но! Всегда хочеться лучшего! Схемы конечно в интернете не найти. Обращался к китайским братьям (продавцам) - безрезультатно. Смотрел по даташитам на схемы реализации ЦАПа кое что «накопал» как варианты «борьбы» с этим шумом. Сейчас возможности залезть в ЦАП с паяльником нет (в мастерской уже холодно, практическую сторону откладываю до тепла). Может кто то сталкивался с таким явлением. Знает что можно предпринять. Поможет советом.
Попробую прикрепить файлы с этим шумом. Формат FLAC 24bit 44,1kHz (c 1 по 5 секунду шум аналогового тракта ОУ, с 5 секунды включается аудиотрек (пауза перед аудиотреком) и слышен этот шум). И изображение этого шума с аудасити.
Звуковой файл не могу, не знаю как прикрепить.

