Змінюй хід війни! Допомагай ЗСУ!

Панове, міняйте свічки запалення вчасно!

  • Автор теми Автор теми Suchkoff
  • Дата створення Дата створення
Я последний раз денсо брал 12 лет назад, потом стало ******.
А что тогда по-Вашему не сейчас не ******? напишите. Предложите супер-мощные свечи, попробую. У меня движок атмосферный обычный и заметил что как поставишь новый комплект первую тысячу км есть какая-то разница со старыми - более бодро авто на низах работает, потом все одинаково.
 
Зе14ХЕР ))))модульназывалсяг грабли. Там DIS система зажигания, т.е ДВЕ катушки внутри и одновременно две искры в 1-4 и 2-3.
Чучело, на Z14XEP отдельная искра на каждый цилиндр
Z14XEP.webp
 
А что тогда по-Вашему не сейчас не ******? напишите. Предложите супер-мощные свечи, попробую. У меня движок атмосферный обычный и заметил что как поставишь новый комплект первую тысячу км есть какая-то разница со старыми - более бодро авто на низах работает, потом все одинаково.
Я стенд крутой для проверки свечей недавно сбаргил, он без дела висел. Есть тще лучше мотор-тестер, (сли кто то покажет лучше, готов забанится))), два года из чемоданов не доставал. Мне накуй не нужно сейчас кому то и что то рассказывать. *****ы учатся по инету или ютюбу. Идея поймать МВ с N53, снять пару-тройку наналов на управление ТНВД, длину импульса форс, еще пару параметров. Везут И48 или В58 сраные бемевисты, задаю вопрос, сколько импульс на ХХ и при каких давлениях? Хороший ответ-я не знаю, остальные , ща у меня вторая линия.
 
А что тогда по-Вашему не сейчас не ******? напишите. Предложите супер-мощные свечи, попробую. У меня движок атмосферный обычный и заметил что как поставишь новый комплект первую тысячу км есть какая-то разница со старыми - более бодро авто на низах работает, потом все одинаково.
NGK топчик.
 
Угу, если такие как ты продают, то надо осторожно.
пару лет увидел как на ьемеве свечи динамометрическилм ключом затягивали. прикуел , но увидел как отрывались резьбы. Взял в руки свечи и не смог визуально отличить. Потом штангелем измерял, у китая мегте внутренний диаметр, но то куйня. Я их не катал, бемевисты мне запретили свечи смотреть и проверять катухи, что бы их не обосрал. Грят работай, будем платить только нашу продукцию не проверяй)))) Это норм, я проверял, не снимал ..правда..
 

Вкладення

  • 1.webp
    1.webp
    56 КБ · Перегляди: 41
  • 3.webp
    3.webp
    25.3 КБ · Перегляди: 46
  • 2.webp
    2.webp
    72.1 КБ · Перегляди: 46
А теперь мне ,неее, мне не надо.. Всем расскажи как, можно по четырем проводам(смотри падла схему ,пятый не в счет) можно подать ЧЕТЫРЕ ИМПУЛЬСА ??? По двум тебе дается питание и масса. ****утый, где еще четыре провода на катухи?
Я граблей таких видел и диагностил десятками колграмов и знаю, что у кого стоит с трех метров. Но якись клоун решил схему гуглить, чтобы высраться. ))))))))
Ваня, я таких ****нов гоняю два раза на день в болей серьезных вопросах, т.к мне дольше доставать ослика и проверять эти грабли. А еще их надо открутить торксом,снять крышку три раза отломанную и приклеенную на скотче. ... А если жертва начинает расказывать,что у него там ажжж четыре катушки.... То проще послать накуй и путь едет в козаностра или сервис, там все сделают.)))
 
А теперь мне ,неее, мне не надо.. Всем расскажи как, можно по четырем проводам(смотри падла схему ,пятый не в счет) можно подать ЧЕТЫРЕ ИМПУЛЬСА ??? По двум тебе дается питание и масса. ****утый, где еще четыре провода на катухи?
Я граблей таких видел и диагностил десятками колграмов и знаю, что у кого стоит с трех метров. Но якись клоун решил схему гуглить, чтобы высраться. ))))))))
Ваня, я таких ****нов гоняю два раза на день в болей серьезных вопросах, т.к мне дольше доставать ослика и проверять эти грабли. А еще их надо открутить торксом,снять крышку три раза отломанную и приклеенную на скотче. ... А если жертва начинает расказывать,что у него там ажжж четыре катушки.... То проще послать накуй и путь едет в козаностра или сервис, там все сделают.)))
убейся ап стену, ****ько, вот схема Focus II 1.6 Zetec, с системой DIS и у которого идёт попарно искра на 1-4 и 2-3 цилиндры, число контактов сможешь посчитать и увидеть разницу c Z14XEP?
Вопчем понятно, что ты не только законтаченый, но и "спец" таке себе, с остатками мозга, раздавленными короной.
Дальше дискуссию можешь не продолжать.

zetec_16.png
 
на Z14XEP отдельная искра на каждый цилиндр
Я показал якие *****ы советуют на ХФ. А еще если покахать якие ******ки на новом драйве Украина..(((((Сделали ссайт наподобии драйвсру, но ради... даже нет слов сказать..
Ээээ, козав ностре. вынул палку с жопы? Я дал сыль и все ржут над тобой. . дале тебе картинку в цвете, грят это ****ько и дальтоник)))..Ждут,что ты отрыгнешь, чисто поржать))).
 

Вкладення

  • 23.02.webp
    23.02.webp
    46.5 КБ · Перегляди: 53
Зе14ХЕР ))))модульназывалсяг грабли. Там DIS система зажигания, т.е ДВЕ катушки внутри и одновременно две искры в 1-4 и 2-3..
ещё раз просмотри свою цитату, а теперь перечитай профильную литературу, посмотри на фото модуля зажигания и посчитай число катушек, дурко, их ЧЕТЫРЕ и с ЭБУ на каждый цилиндр выходит управляющий сигнал. И именно поэтому в приведенных схемах в Опеле их четыре, а в Форде - два, и модуль опелёвский состоит из четырёх катушек и имеет пять контактов, а фордовский из двух и имеет три.

Z14XEP(2).webp


BOSCH_0221503472.webp
 
Ты ебнутый или дэбил? Мы же начали а зе14Хер. ,а та дурачек начинаешь ****** поднимать. ))) \не надо сувать катуху сс инсингнии, или *** знает с чего ты придумаешь. . Я тебе *******у десятый раз поясню, я системы зажигания прошел лет десять назад все.
Но мне пояснили, что нельзя делать правильно, Ну тогда на это забил ***.
Самое интересное. когда на налась пандемия. Я принес домой мешок катушек МВ и Пежо. Собака меня прокляла. ))) Спалил два адаптера, но в итоге мне сказали -не нуждаемся в ваших услугах нам проще поменять фсе)))
 
а теперь перечитай профильную литературу,
Ты ебнутый и крутишься на палке. Я тебе давно говорил, что бегать в вин-вин до добра не приведет.
Покажи мне количество пиновна разъеме. Ты картинку показываешь четырех катушек. ******ок. посмотри схему их подключения. Или количество проводов.. Потом сравни со схемой с которой ты решил тут настрать, ну и **********....аминь.
 
Я дал сыль и все ржут над тобой. . дале тебе картинку в цвете, грят это ****ько и дальтоник)))..Ждут,что ты отрыгнешь, чисто поржать))).
скажи своим из палаты, чтобы между поржать не забыли выпить таблетки
Ты ебнутый или дэбил? Мы же начали а зе14Хер. ,а та дурачек начинаешь ****** поднимать. ))) \не надо сувать катуху сс инсингнии, или *** знает с чего ты придумаешь. .
какая, накуй, Insignia???
Номер по BOSCH 0 221 503 472 сам загуглишь, как выглядит? С применением помогу:

BOSCH_0221503472(2).png



А теперь вернёмся к фордовской катушке, у которой всего три контакта. Следуя твоей ****е, два из них - питание, а третий одинокий управляет искрой 1-4 и 2-3 одновременно? :D

zetec_16(2).png
 
Останнє редагування:
а фордовский из двух и имеет три.
Ты реально ***** или прикидываешься? Я дал ссыль на тему, все ржут)))))))))))))))))). Скинули корсу по диллеру 10 года, все у ХЕР ----ОДИНАКРВОЕ по зажиганию, т..е DIS, ты ******ок, лучше не спорь, я могу не только циферками показывать, но вотличии от тебя легко проверить на стое или на авто. . Тебе этому надо учится и оборудования покупать. .
 
А теперь вернёмся к фордовской катшке,
Гугли дальне, тупой *****. Я лет десять назад вместо этих катушек ставил ВАЗовские .... Тебе *** понять.
Я ъту куету высрал много лет назад, пару раз пригодилась, неее. может десять.. Потом мне сказали, что нельзя делать клиентам счастье(это я на дядю работал)
И почему авто не делаю и осцил не расчехлаю знаешь?. Только потому, что такие ****ны или перекупы чтото начинают советовать . Грят, тя чооо?? бабок не хочешь заработать?))))
Казюленостра, та хотя бы подготовился, я бы тоже в выходной попросил дать базы, ну и попинал знатно.
А где ****ны бегающие с вин-вин? Еозюля, мы о каком авто говорим? Будем гугилеть или гадать?
ты не спеши, подготовься. я чуток по работе в напряге. Потом поржом)))
 
Ты реально ***** или прикидываешься? Я дал ссыль на тему, все ржут)))))))))))))))))). Скинули корсу по диллеру 10 года, все у ХЕР ----ОДИНАКРВОЕ по зажиганию, т..е DIS, ты ******ок, лучше не спорь, я могу не только циферками показывать, но вотличии от тебя легко проверить на стое или на авто. . Тебе этому надо учится и оборудования покупать. .
***** пока тут только ты, который не в состоянии признать вину и не в состоянии обосновать, почему на опелевском модуле, якобы с DIS, пять контактов и четыре катушки, а на фордовском с DIS три контакта и две катушки.
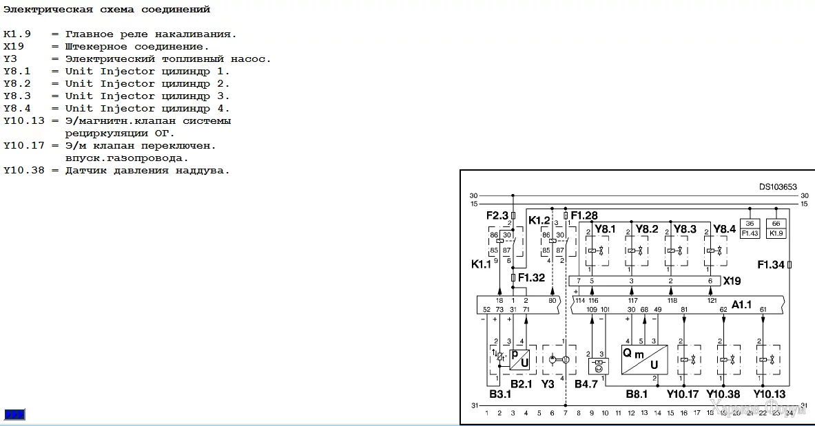
Ну и для разминки остатков твоих мозгов и соседей по палате схема фольксвагеновского дизеля EA188 с насос-форсунками, в котором аналогично каждая насос-форсунка имеет свою катушку и идёт кабель на пять проводов. Для тебя тоже загадка, как они управляются отдельно каждая (как раз как в Z14XEP зажигание) или там солярка льётся попарно 1-4 и 2-3? :D

AXR_SCHEMA.png
 
Прикупил на днях свечи и провода, теперь надо как то собратся и поменять.))))
 
Назад
Зверху Знизу