Статус: Офлайн
Реєстрація: 24.04.2009
Повідом.: 19541
Реєстрація: 24.04.2009
Повідом.: 19541
Ликбез по комлектующим.
Очень часто приходится менять совок на импорт. Поскольку выбор импорта в сравнении с совком как океан с безлюдовкой, а со справочниками непонятки, то предлагаю о заменах спрашивать и отвечать здесь.
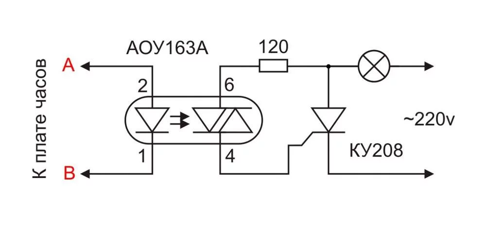
Например сейчас я ищу замену двум включенным в параллель АОУ103. Нашёл PC3SF11, но в космодроме их например нет. Что ещё можно применить такое чтоб без проблем купить на нашем самом мощном в Украине радиобазаре?
Очень часто приходится менять совок на импорт. Поскольку выбор импорта в сравнении с совком как океан с безлюдовкой, а со справочниками непонятки, то предлагаю о заменах спрашивать и отвечать здесь.
Например сейчас я ищу замену двум включенным в параллель АОУ103. Нашёл PC3SF11, но в космодроме их например нет. Что ещё можно применить такое чтоб без проблем купить на нашем самом мощном в Украине радиобазаре?



если звук мафона глубже и плотнее живого саунда - немедленно прекращай купить то шо куришь!