Статус: Офлайн
Реєстрація: 09.02.2009
Повідом.: 1840
Реєстрація: 09.02.2009
Повідом.: 1840
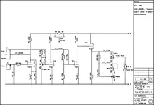
Симулятор - хорошая вещь,когда нужно что-то прикинуть.Думаю, Вы не ошиблись. Я по симулятору посмотрел режимы при 113 В питания, всё равно анодные токи должны быть почти в два раза больше тех, что намерял ТС.
В реале,все-же,лучше понять,что такое анодные характеристики,нарисовать нагрузочную линию и считать каскад.
Но ведь мы не исчем легких путей?
Это не Вам.
